EasyManua.ls Logo

Philips FW C717 - AF9 BOARD - CIRCUIT DIAGRAM (PART 1)

Philips FW C717
96 pages
Print Icon
To Next Page IconTo Next Page
To Next Page IconTo Next Page
To Previous Page IconTo Previous Page
To Previous Page IconTo Previous Page
Loading...
12-4
12-4
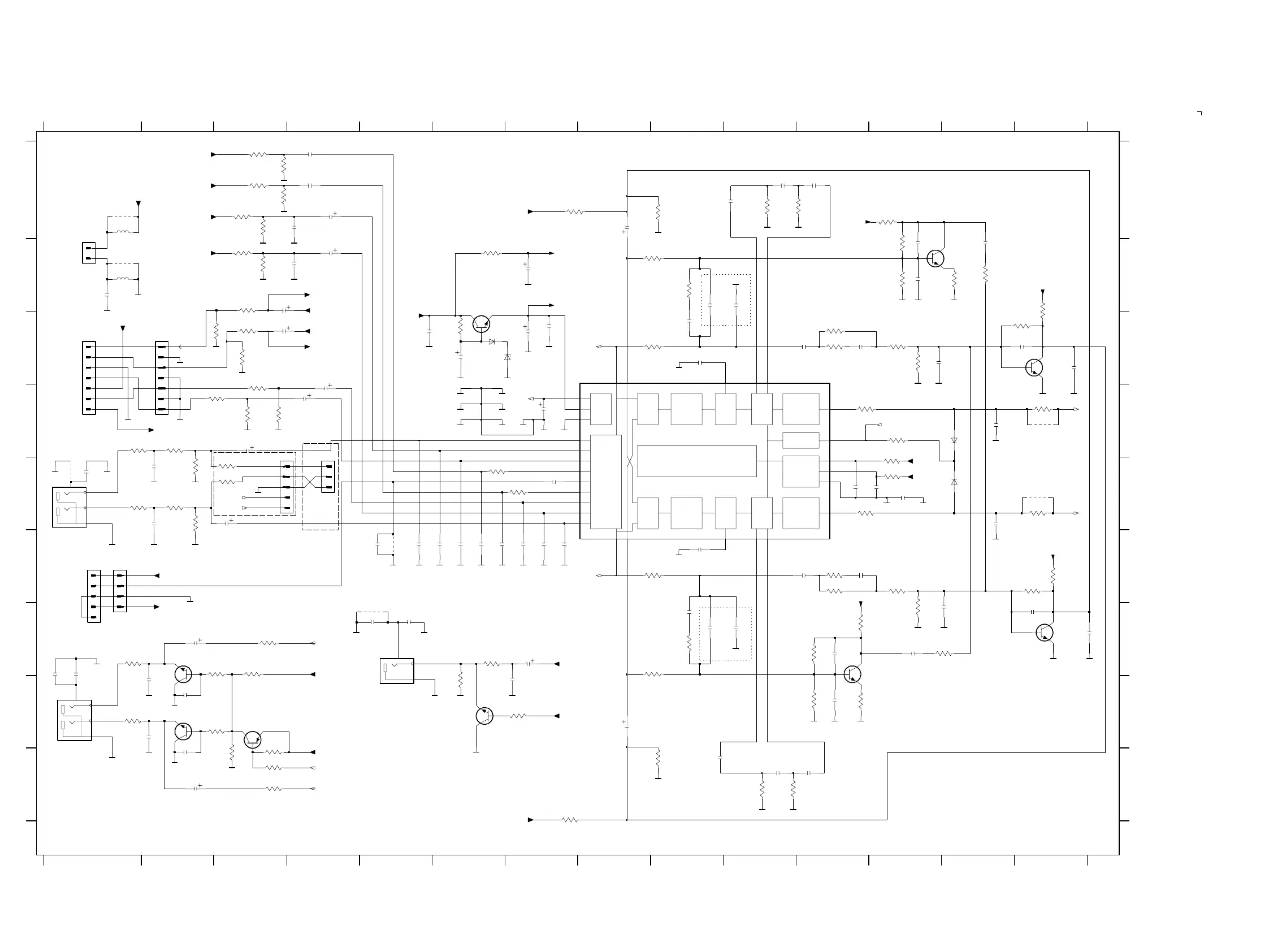
A
F9 BOARD - CIRCUIT DIAGRAM (PART 1)
VOLUME I
RIGHT
SUR.
SOURCE
SUPPLY
POWER
SELECTOR
TREBLE
LEFT
VOLUME II
LOGIC
LEFT
REC
IIC BUS
BASS ALC
BASS
LEFT
VOLUME I
LEFT
SUR.
TREBLE
RIGHT
VOLUME II
RIGHT
BASS
RIGHT
D...for DPL
P...provision
I
1501 E1
1502 E3
1503 F1
1504 H1
1505 E4
1506 A1
1510 F1
1531 C1
1532 C2
1691 H5
2201 B7
2202 C7
2203 D7
2204 C6
2205 C5
2206 C7
2501 E2
2502 E2
2503 D3
2504 E3
2505 F5
2506 F7
2507 E7
2511 A4
2512 B4
2513 A4
2514 B4
2515 F6
2516 F7
10n for S
Game Sound Port
1234567891011 12 13 14
1
234567891011 12 13 14
A
B
P
SUBWOOFER
OUT
18K for S
P
P
P
P
10n for S
C
D
E
F
G
H
I
A
B
C
D
E
F
G
H
FULL I.S.
SOLID STATE
#
P
2521 A4
2522 A4
2523 F6
2524 F6
2531 D4
2532 C4
2533 F6
2534 F7
2535 B3
2536 C3
2541 A8
2542 H8
2543 C9
2544 G9
2546 F9
2547 B10
2548 G10
2549 C11
2550 F11
2551 C11
2552 F11
2553 B12
2554 G11
2555 B12
2556 H11
2557 B13
2558 G12
2559 C12
P
SIMPLE I.S.
2560 G12
2561 C14
2562 G14
2563 C14
2564 G14
2565 C9
2567 B9
2568 G9
2589 A10
2590 I9
2591 A10
2592 I10
2593 A11
2594 I11
2641 D13
2642 E13
2661 G2
2662 I2
2663 H2
2664 I2
2665 H2
2666 H2
2667 G1
2669 E1
2696 G7
2697 H7
2698 G5
2707 E11
2708 E12
2904 G1
FULL I.S.
#
10K for S
2908 E12
2921 G5
2923 B1
2924 F5
3201 B6
3202 C6
3435 D3
3436 D3
3437 D3
3438 D3
3501 D1
3502 E1
3503 D2
3504 E2
3505 E2
3506 E2
3507 E3
3508 E3
3511 A3
3512 B3
3513 A3
3514 B3
3521 A3
3522 A3
3523 A3
3524 A3
3525 E6
3526 E7
3531 C2
D
3532 C3
3533 B3
3534 C3
3541 A7
3542 I7
3543 A9
3544 I9
3545 B9
3546 G9
3547 C9
3548 F9
3549 B9
3550 G9
3551 C11
3552 F11
3553 C11
3554 F11
3555 C12
3556 F12
3557 C12
3558 G12
3559 C14
3560 F14
3561 B14
3562 F14
3563 A12
3564 G11
3565 B12
3566 G11
3567 B12
3568 H11
P
CDR
3569 B13
3570 H11
3571 B13
3572 G13
3591 A10
3592 I10
3593 A10
3594 I10
3641 D14
3642 E14
3643 D12
3645 D11
3646 E11
3661 G3
3662 I3
3663 G3
3664 H3
3665 G1
3666 H1
3667 G3
3668 I3
3669 I3
3690 H7
3699 G6
3700 H6
3707 E12
3708 E12
3712 I3
4501 F5
4641 D14
D
10K for S
#
only for
S
S
4642 E14
4813 G5
4920 E1
5403 A1
5404 B1
6201 C6
6202 C6
6641 D13
6642 E13
7201 B6
7485 C14
7488 G14
7501 C8
7585 B13
7586 G11
7661 G2
7662 H2
7663 H3
7693 H6
9618 A1
9654 B1
S...for simple I.S.
P
SIMPLE I.S.
GND_D
A_Tp
only for
P
AUX IN
18K for S
P
LINE OUT
P
P
# only for
A_Tp
GND_A
GND_A
GND_A
3561
1K
47K
3544
220u
2204
A_Mic
3501
4K7
1n8
2552
A_Aux
3572
A_Tp
A_CD
12K
3504
4920
GND_EMC
FE-BT-VK-N
1502
1
2
3
4
5
A_Tp
470n
2594
GND_A
9654
680K
3565
3K3
3547
470n
2666
470p
8K2
3555
GND_A
A_Aux
220K
3568
3532
1K5
A_HP
470p
2665
2n2
2205
2589
1K
3690
SUB_W
27K
3533
220n
3507
10K
BC817-25
7693
17
14
15
9
20
1
2697
470p
13
28
3
26
4
25
5
24
6
23
8
21
2
7
22
12
TDA7468
7501
16
10
19
11
18
27
GND_A
CD_Left
3699
470R
1510
FE-BT-VK-N
1
2
3
4
5
GND_A
GND_A
YKC21-3418
1501
1
2
4
3
1N4148
6641
MUTE_SW_FR
5K6
3594
3700
3K3
GND_A
2696
22u
3541
1K
GND_A
1n
2641
GND_A
2202
22u
GND_A
3666
470R
GND_A
FE-BT-VK-N
1531
1
2
3
4
5
6
7
820R
3512
5K6
3546
GND_A
GND_EMC
470R
3665
BC847B
7586
GND_A
15K
3506
GND_A
2501
2507
100n
TU_Left
3543
47K
100p
5K6
3554
8K2
A_Aux
DPL_L
100p
2502
GND_A
7585
BC847B
SS_L
8K2
3558
2531
4u7
1K
3435
A_Mic
100n
2698
GND_A
3593
5K6
A_Aux
A_DPL
4u7
2536
2542
0u47
2553
3n3
2206
22n
3505
15K
100p
2524
GND_AGND_A
2555
470p
1n
2514
GND_A
3643
12K
3n3
2548
8K2
3591
BC847B
7485
GND_A
2560
1n
100p
2708
A_CD
1K
3542
MIC_DET
330n
33K
3560
1503
FE-BT-VK-N
1
2
3
4
2592
1691
YKC21-3416
1
3
2
33n
2203
47u
2511
GND_A
2543
GND_A
3712
100K
1u
A_TU
GND_A
6202
BZX55-C9V1
GND_A
GND_A
EH-B
1506
1
2
2503
1u
GND_A
3521
1K
TU_Right
5K6
3549
3502
1u
2504
1n8
2551
4K7
A_TU
330n
2591
2564
470p
A_Aux
1K
3708
470n
2593
A_Aux
4K7
3437
100p
2534
3201
820R
2522
100n
1N4148
+12V_M
A_TU
1K5
3531
6642
3571
8K2
2923
10n
3569
10K
100p
2505
GND_A
7488
BC847B
3550
5K6
GND_A
100p
2516
10K
3508
DPL_R
GND_A
GND_A
A_Tp
A_CD
6201
1N4148
GND_A
GND_A
GND_M
Line_R
A_Tp
220R
3641
100n
2667
GND_A
220R
3646
4641
3645
220R
GND_A
100p
2707
2908
100n
GND_A
2512
1u
GND_A
10K
100n
2521
+12V_A
3513
3K3
3564
2546
4n7
2513
1n
8K2
3557
2506
GND_A
A_Tp
GND_A
GND_A
-CMOS
100p
I2C_Clk
3K3
3548
1K
3562
3522
1K
1n
2567
4813
2550
150R
3202
BC847B
7201
GND_A
2921
100n
GND_EMC
4501
1
2
4
3
-Vkk
1504
YKC21-3418
5K6
3553
100n
2557
A_Tp
470R
3526
3567
220K
4u7
2532
CD_Right
100n
2558
3K3
3514
8K2
3556
Line_L
2547
3n3
2544
33n
220R
3642
0u47
2541
3559
33K
3503
12K
470p
2563
2559
1n
I2C_Data
5K6
3551
GND_A
A_Aux
4n7
2565
+12V_A
680K
3566
GND_A
GND_A
SS_R
+12V_A
220p
2562
2669
A_CD
2904
100n
2u2
5403
100n
5404
2u2
9618
3436
2535
4u7
2662
1u
1K
820R
2K7
3661
3523
4K7
3511
1n
2924
2561
220p
4642
4K7
3524
5K6
3552
3525
470R
2554
10K
3570
2568
470p
2556
3n3
100p
2533
1n
GND_A
1K
3707
3592
8K2
2523
100p
GND_A
3534
27K
1n
2663
A_Aux
7662
BC847B
BC847B
7661
GND_A
GND_A
GND_A
470n
2549
6
7
220n
2590
A_CD
FE-BT-VK-N
1532
1
2
3
4
5
3438
4K7
GND_A
2201
100u
1
2
3
100p
2515
3545
5K6
EH-B
1505
3662
2K7
1n
2642
+5V6
3667
1M
1u
2661
3668
4K7
GND_A
10K
3563
GND_A
GND_A
BC857B
7663
3669
10K
3663
GND_A
GND_A
3664
2K2
2K2
LINE_R
LINE_L
VOL_L
TP_LEFT
2664
1n
TP_REC_LEFT
TP_REC_RIGHT
+12V_A
TP_RIGHT
-CMOS
MIC_DET
GND_A_Tp
VOL_R
Mute2
+IS
+9.1V
SS_L
SS_R
VREF
+IS
LINE_L
LINE_R
+IS
+IS
+IS
ALC_LEVEL
3139 118 53770...88340 for...3435 pt4 dd wk0123
Note : Some values may varies, see respective parts list
for correct value.
4.6V
1V
4.6V
0V
5.6V
5.4V
11.7V
9.8V
9.1V
4.6V
5.9V
0V
0V
1V

Table of Contents

Other manuals for Philips FW C717

Related product manuals