EasyManua.ls Logo

Philips FW C717 - TAPE MECHANISM ELECTRONICS; Head Wiring Soldering Procedures

Philips FW C717
96 pages
Print Icon
To Next Page IconTo Next Page
To Next Page IconTo Next Page
To Previous Page IconTo Previous Page
To Previous Page IconTo Previous Page
Loading...
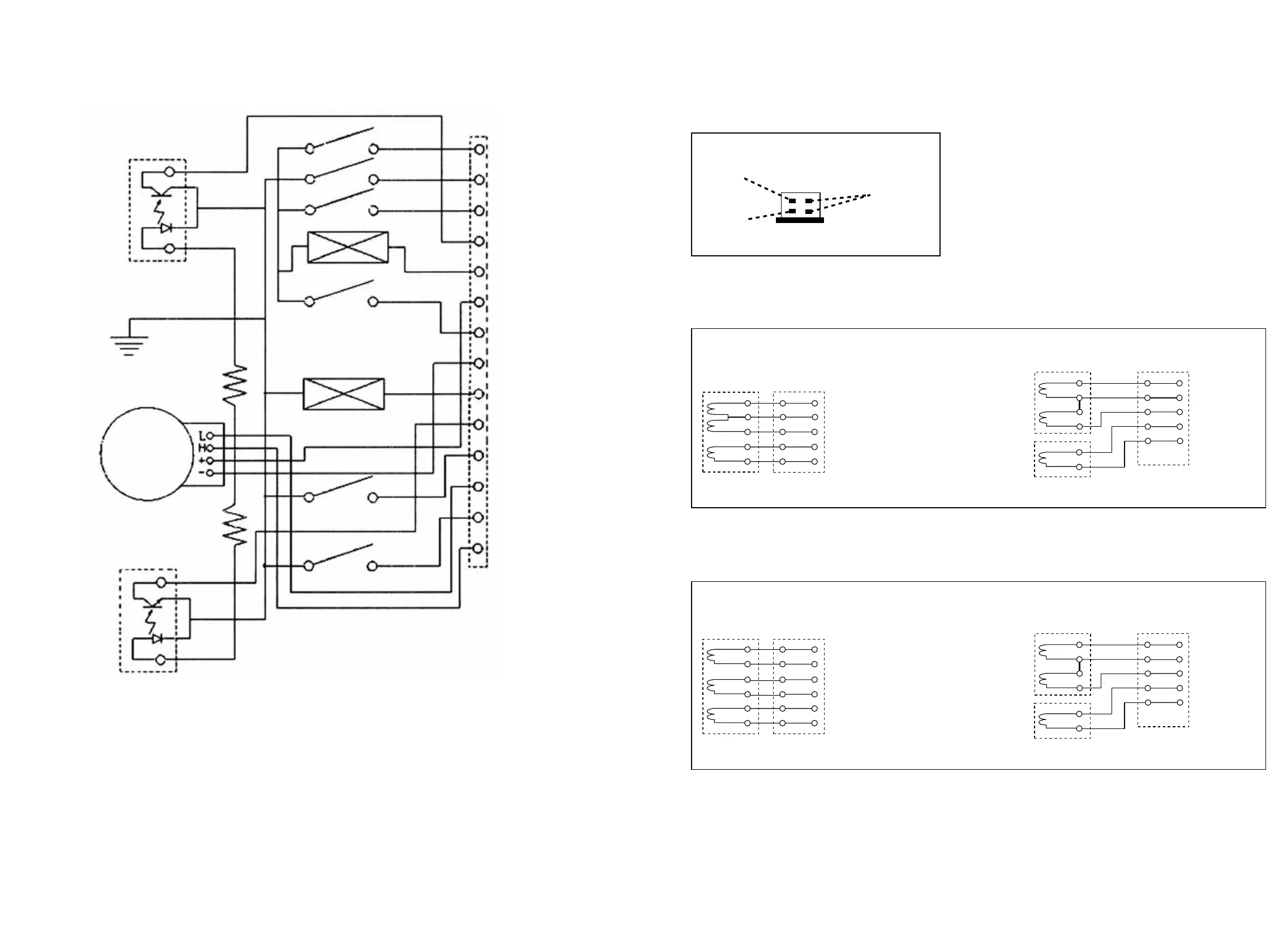
TAPE MECHANISM ELECTRONICS
1. B Rec Switch (REV)
Rec-R
CrO2
CrO2
Rec-F
Solenoid
B-Mode
A-Mode
Solenoid
Motor
R1 (680R)
R2 (680R)
A Photo Sensor
B Photo Sensor
2. B CrO2 Switch
3. B Rec Switch (FWD)
4. B Photo Out
5. B Solenoid
6. Vcc 12V
7. B Mode Switch
8. Gnd
9. A Solenoid
10. A Photo Out
11. A Mode Switch
12. Motor L
13. A CrO2 Switch
14. Motor H
Rec/Pb
Head
Head wire
connector pcb
1. White
2. Black
3. Red
4. Blue
5. Yellow
Erase
Head
For Normal Head
Rec/Pb
Head
Head wire
connector pcb
1. +L ch (White)
2. - ch (Black)
3. +R ch (Red)
4. E Head (Blue)
5. E Head (Yellow)
For Auto-reverse Head
Mechanism B Head Wires Soldering (Non-Dolby version)
Rec/Pb
Head
Head wire
connector pcb
1. White
2. Black
3. Red
4. Blue
5. Yellow
Erase
Head
For Normal Head
Rec/Pb
Head
Head wire
connector pcb
1. +L ch (White)
2. - L ch (Black)
3. +R ch (Red)
4. - R ch (Blue)
5. E Head (Yellow)
6. E Head (Yellow)
For Auto-reverse Head
Mechanism B Head Wires Soldering (Dolby B NR version)
Pink or
Red
White
Screen
(Gnd)
Play
Head
Mechanism A Head Wires Soldering
9A-5
9A-5

Table of Contents

Other manuals for Philips FW C717

Related product manuals