EasyManua.ls Logo

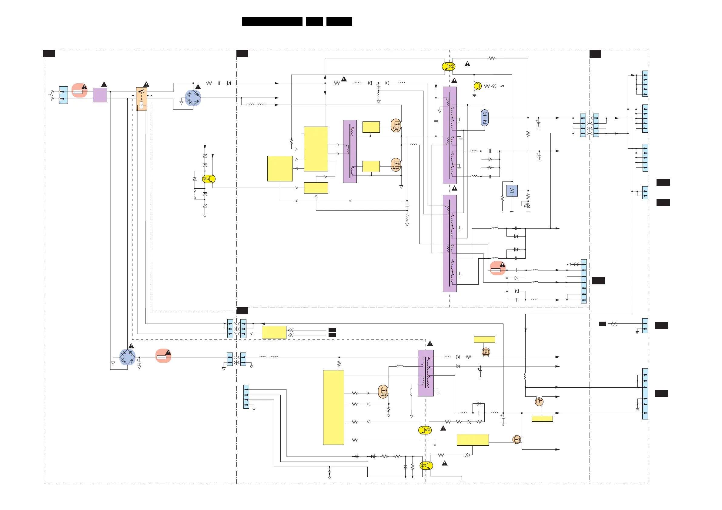
Philips ME6 - Block Diagram Supply 37

Philips ME6
130 pages
Print Icon
To Next Page IconTo Next Page
To Next Page IconTo Next Page
To Previous Page IconTo Previous Page
To Previous Page IconTo Previous Page
Loading...
26LC4.31E AA 6.
Block Diagrams, Test Point Overviews, and Waveforms
Block Diagram Supply 37”
CONNECTIONS
SA1
STANDBY
SA2
MAINS FILTER + STANDBY
A1
SUPPLY
A2
6307
GBJ6J
-
+
6306
DF06M
-
+
7001
MC34067P
15
7011
7012
7007
HIGH
SIDE
DRIVE
7004
7009
5001
BIAS SUPPLY
SOFT
STA RT
+
CURRENT
PROTECTION
CONTROL
VCC
OSCC
ERROR
SOST
OB
OA
FI
2
4
11
7
11
14
12
10
6
7
5011
7008
LOW
SIDE
DRIVE
10
9
2003
60246025
3007
7010
TS2431
3030
1314
T5AH
1308
5305
5306
MAINS
FILTER
2
1
OVER
VOLTAGE
PROTECTION
400V_HOT
25V_HOT
HOT COLD
HOT
COLD
SUPPLY 37"
399V_HOT
5002
1007
T5A
VSND_POS
VSND_NEG
GND_SND
+24Vb
+24Va
+12V
400V_HOT
2303
2020
2022
2060
PRINTED
COMPONENT
HOT COLD
VREF
5
N.C.
5008
5007
25V_HOT
399V_HOT
6315
6316
6318
6317
RES
6314
6304
2319
3318
3000
2029
2045
6021
6041
5025
5026
+12V_A
+12V_+24V
HOT
COLD
CONTROL
3
STA ND B Y
7100
7101
7105
VTUN
+11V
+8V6
+5V2
+5V_SW
5500
+12V
6
7
10
STANDBY
7507
7506
7512
STANDBY
OVERVOLTAGE
PROTECTION
8
B01B
TO 1M46
(1J01)
SSB
5
2
1
+5V2
STANDBY: LOW = ON
HIGH = STBY
CONTROL
7505/7509/7560
Prot-OVV
+12V_A
PROT-OVV
G_16210_060.eps
260906
TO
DISPLAY
1305
11
1305
22
33
1306
11
1306
22
1
1307
2
3
4
1304
44
1304
33
22
11
6504
6140
3509
5110
5507
5103
6107
6122
3158
PROT_AUDIOSUPPLY
2512
5506
2513
3128
3113
3124
2141
5504
5505
5104
5105
3108
3127
3104
3150
3101
3155
6151
6150
3156
6153
3157
6156
1
2
3
4
5
1316
1
2
1M10
1M03
7
1M46
4
7
3100
11
2
1
2
3
4
5
1317
1M02
7
6
4
5
3
2
1
TO 1M02
AUDIO
TO
DISPLAY
SA1
SA2
2009
6029
2021
6030
5020
5018
5019
2042
2049
6031
6040
5021
5022
DC_PROT
7003
3031
3052
3057
VS Voltage
Adj.
3026
3025
5017
5012
5009
2059
5010
DC_PROT
3V MAX
1V MAX STBY
7150
TCET1102
2
14
3
7501
TCET1102
2
14
3
7002
TCET1102
2
14
3
7307
TCET1102
2
14
3
B16
B01B
TO 1M03
(1J00)
SSB
B16
SA3
HOT COLD
6019
STPS20L40CFP
6019
STPS20L40CFP
7005
STP15NK50
7006
STP15NK50
7102
STP15NK50
7531
7131
7511
2
3
1
4
1350
9311
RES
RES
1
4
1315
T1A
9
SA2
1
2
3
4
5
1319
TO
DISPLAY
B01B
TO 1301
IBO ZAPPER
(ONLY DVB SETS)
K3
B01B
TO 1329
SIDE AV
D

Table of Contents

Related product manuals