EasyManua.ls Logo

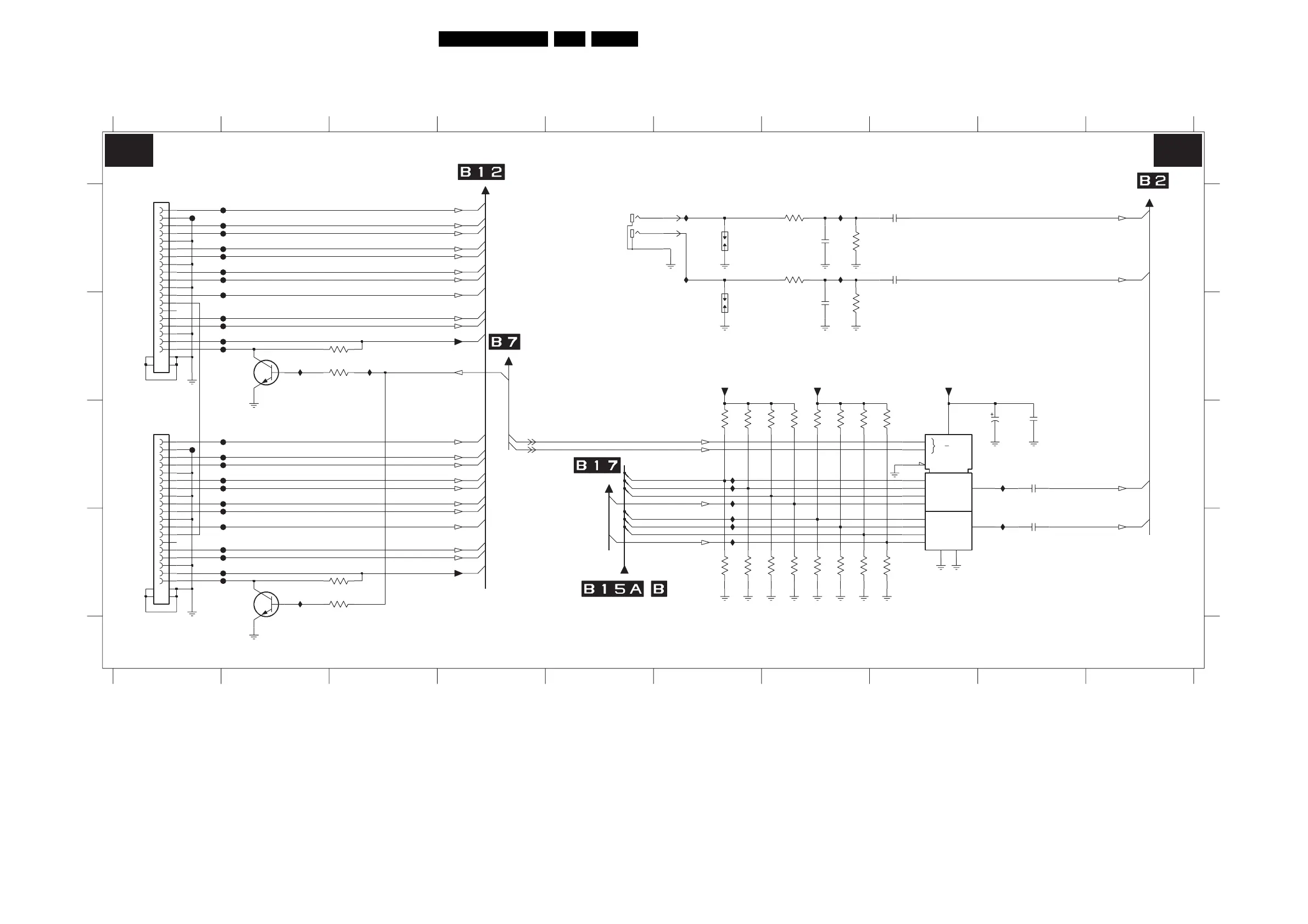
Philips ME6 - SSB: Digital I;O (B14)

Philips ME6
130 pages
Print Icon
To Next Page IconTo Next Page
To Next Page IconTo Next Page
To Previous Page IconTo Previous Page
To Previous Page IconTo Previous Page
Loading...
Circuit Diagrams and PWB Layouts
65LC4.31E AA 7.
SSB: Digital I/O
G4
0
3
2
VDD
VEE VSS
1
0
3
2
1
4X
0
3
0
1
DIGITAL IO
HDMI CONNECTOR-2
TO HDMI
TO SCALER
HDMI CONNECTOR-1
AUDIO-IN (DVI-D)
To HERCULES
FROM/TO SCART-IO
FROM SIDE-IO
12345678910
12345678910
A
B
C
D
A
B
C
D
1F01 A5
1F02 A1
1F03 C1
2F01 C9
2F02 C9
2F03 C9
2F04 D9
2F13 A7
2F14 A7
2F15 A8
2F16 A8
3F01 B2
3F02 B2
3F03 D2
3F04 D2
3F05 C6
3F06 C6
3F07 C7
3F08 C7
3F09 C7
3F10 C7
3F11 C8
3F12 C8
3F13 D6
3F14 D6
3F15 D7
3F16 D7
3F17 D7
3F18 D7
3F19 D8
3F20 D8
3F24 A7
3F25 A7
3F26 A7
3F27 A7
7F01 B2
7F02 D2
7F03 C8
FF01 A1
FF02 A1
FF03 A1
FF04 A1
FF05 A1
FF06 A1
FF07 A1
FF08 A1
FF09 B1
FF10 B1
FF11 B1
FF12 B1
FF13 B1
FF14 C1
FF15 C1
FF16 C1
FF17 C1
FF18 C1
FF19 C1
FF20 C1
FF21 D1
FF22 D1
FF23 D1
FF24 D1
FF25 D1
FF26 D1
IF01 A6
IF02 A6
IF03 A7
IF04 A7
IF05 C6
IF06 C6
IF08 C6
IF09 D6
IF10 D6
IF12 D6
IF13 C9
IF14 D9
IF16 B3
IF17 B2
IF18 D2
S001 A6
S002 B6
B15A
B15B
B15A
B15A
B15B
B15A
/
IF18
IF16
IF14
IF17
IF13
IF12
IF09
IF10
IF08
IF05
IF06
3F20
33K 33K
3F18
33K
3F193F17
33K33K
3F163F15
33K33K
3F143F13
33K
33K
3F123F11
33K33K
3F10
+5VSW
3F09
33K
3F08
33K33K
3F07
+5VSW
3F06
33K33K
3F05
100n
2F02
16V10u
+5VSW
2F01
2F04
4u7
4u7
2F03
4
13
3
16
7
8
12
1
14
5
15
2
11
MDX
74HC4052D
7F03
10
9
6
1F01
MSD-242V-01 NIDIP
3
1
2
IF03
IF04
2F16 2u2
2u22F15
IF02
15K
3F27
IF01
15K
3F262F13
180p
2F14
180p
3F24 10K
3F25 10K
S002
9
2021
2223
S001
16
17
18
19
2
3
4
5
6
7
8
1
10
11
12
13
14
15
DC1R019JDA
1F02
2K23F02
BC847BW
7F01
3F01 1K0
FF02
FF13
FF11
FF12
FF10
FF09
FF07
FF08
FF06
FF04
FF05
FF03
23
+5VHDMI_A
FF01
4
5
6
7
8
9
2021
22
11
12
13
14
15
16
17
18
19
2
3
1F03
DC1R019JDA
1
10
3F04 2K2
7F02
BC847BW
1K03F03
FF26
FF15
FF25
FF23
FF24
FF22
FF21
FF19
FF20
FF17
FF18
FF16
+5VHDMI_B
FF14
AV2_AudioINL
AV2_AudioINR
DMMI_AudioINR
DMMI_AudioINL
SIDE_AudioINR
SIDE_AudioINL
Analog_AudioINR
Analog_AudioINL
Analog_AudioSEL2
DVI_D_AudioINR
DVI_D_AudioINL
Analog_AudioSEL1
AV1_AudioINL
AV1_AudioINR
DOC_SCLA
DOC_SDAA
RX1-A
RX2+A
RX2-A
RXC+A
RXC-A
DOC_SDAB
HDMI_HOTPLUG_RESET
CEC
CEC
RX0+A
RX0-A
RX1+A
RXC+B
RXC-B
DOC_SCLB
RX0+B
RX0-B
RX1+B
RX1-B
RX2+B
RX2-B
G_16210_014.eps
160106
3139 123 6117.2
B14 B14

Table of Contents

Related product manuals