EasyManua.ls Logo

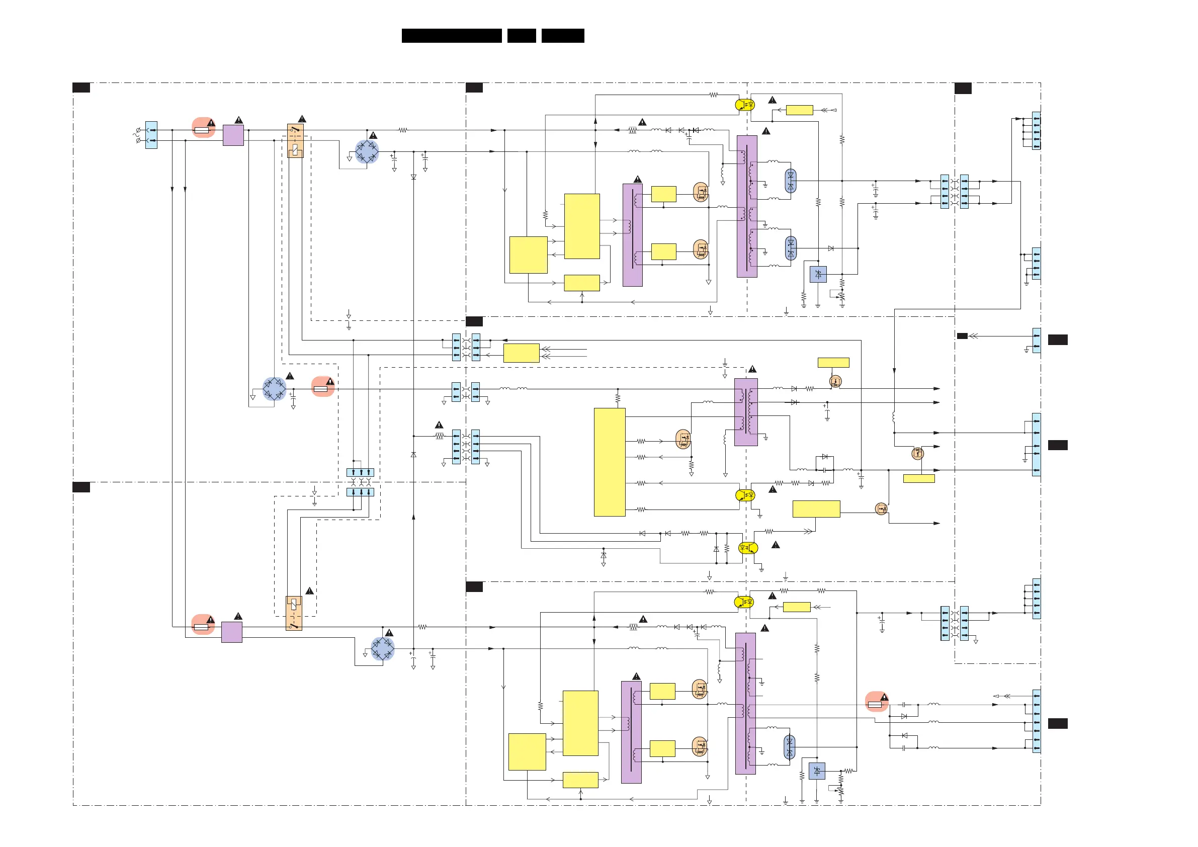
Philips ME6 - Block Diagram Supply 42

Philips ME6
130 pages
Print Icon
To Next Page IconTo Next Page
To Next Page IconTo Next Page
To Previous Page IconTo Previous Page
To Previous Page IconTo Previous Page
Loading...
Block Diagrams, Test Point Overviews, and Waveforms
27LC4.31E AA 6.
Block Diagram Supply 42”
G_16210_102.eps
260906
SUPPLY PART A
A2
STANDBY
SA2
SUPPLY PART B
A4
CONNECTIONS
SA1
MAINS FILTER + STANDBY
PART B
A3
MAINS FILTER + STANDBY PART A
A1
SUPPLY 42"
6807
GBJ6J
-
+
7001
MC34067P
15
7017
7018
7007
7004
7009
5001
BIAS SUPPLY
SOFT
START
+
CURRENT
PROTECTION
CONTROL
VCC
OSCC
ERROR
SOST
OB
OA
FI
2
4
11
7
11
14
12
10
6
7
5
3
7
8
9
10
11
3
1
2
12
13
5002
7008
10
9
3007
7010
TL431ACD
VS Voltage
Adj.
+12V_A
+12V_+24V
5400
5401
5403
2
3
MAINS
FILTER
1
4
6506
DF06M
-
+
1450
OVER
VOLTAGE
PROTECTION
400V_HOT_A
25V_HOT_A
14
15
16
6021
STTH2003CFP
6H07
GBJ6J
-
+
7U01
MC34067P
15
7U17
7U18
7U07
HIGH
SIDE
DRIVE
7U04
7U09
5U01
BIAS SUPPLY
SOFT
START
+
CURRENT
PROTECTION
CONTROL
VCC
OSCC
ERROR
SOST
OB
OA
FI
2
4
11
7
11
14
12
10
6
7
5
3
7
8
9
10
11
12
13
5U02
7U08
LOW
SIDE
DRIVE
10
9
7U10
TL431ACD
VS Voltage
Adj.
+24V
5D00
5D01
5D03
2
3
MAINS
FILTER
14
1D50
OVER
VOLTAGE
PROTECTION
400V_HOT_B
25V_HOT_B
14
15
16
400V_HOT_B
VSND_POS
VSND_NEG
MAINS INPUT
CONTROL
3
7100
7101
7105
VTUN
+11V
+8V6
+5V2
+5V_SW
+12V
6
7
10
STANDBY
7507
7506
7512
STANDBY
OVERVOLTAGE
PROTECTION
8
5
2
1
+5V2
STANDBY: LOW = ON
HIGH = STBY
3V MAX
1V MAX STBY
2020
2022
CONTROL
7505/7509/7560/
Prot-OVV
+12V_A
DC_PROT
DC_PROT
DC_PROT
DC_PROT
PROT-OVV
VREF
5
TO
DISPLAY
TO
DISPLAY
+24V_2
VREF
5
5B92
2
1308
1
1400
3A15
1401
T1A
2503
6156
3810
2815
China
2816
6157
3406
2H15
China
2H16
1305
11
1305
22
33
1306
11
1306
22
1307
11
1307
22
33
44
1C05
11
1B06
22
33
3000
6080
6078
2003
3022
3052
3026
3030
1304
44
1304
33
22
11
3057
+12V
+24Va
7030
6014
3025
6504
6140
3509
5110
5507
5103
6107
6122
3158
PROT_AUDIOSUPPLY
2512
5506
2513
3128
3113
3124
2141
5504
5505
5104
5105
3108
3127
3150
3101
3155
6151
6150
3156
6153
3157
6156
3U07
3U57
6U78
6U79
2U03
2B91
2B93
6B91
6B93
5B93
5B91
1303
11
1303
22
33
44
3U30
3U26
3U24
3U22
2U22
1316
1
2
3
4
5
1M10
1
2
1M46
9
1
7
1319
(1317)
1
2
3
4
5
1M02
6
5
3
2
1
4
3U28
3U00
6U77
5U40
5U105U17
5U08
5U07
7
DC_PROT
3U25
6077
5010
5017
3028
5007
5008
5U09
5009
3U52
3U39
MAINS_L
MAINS_N
3H10
3100
11
2
1M03
7
4
SA3
3
4
1400
3A15
6019
STPS20L40CFP
5027
5028
1
3
2
6021
STPS20L40CFP
5025
5026
7002
TCET1102
2
14
3
7005
STP15NK50
7006
STP15NK50
HIGH
SIDE
DRIVE
5040
LOW
SIDE
DRIVE
1
3
2
6021
STPS20L40CFP
5U25
5U26
1U07
T5A
7U05
STP15NK50
7U06
STP15NK50
7U02
TCET1102
2
14
3
7501
TCET1102
2
14
3
7150
TCET1102
2
14
3
7102
3104
5500
7131
7511
B01B
TO 1M46
SSB
N.C.
TO 1M02
AUDIO
B16
B01B
TO 1M03
SSB
B16
SA3
RES
HOT GROUND COLD GROUND
HOT GROUND
COLD GROUND
HOT GROUND COLD GROUND
HOT GROUND COLD GROUND
STANDBY
SA2
HOT GROUND
COLD GROUND
HOT GROUND
COLD GROUND
RES
7531

Table of Contents

Related product manuals