EasyManua.ls Logo

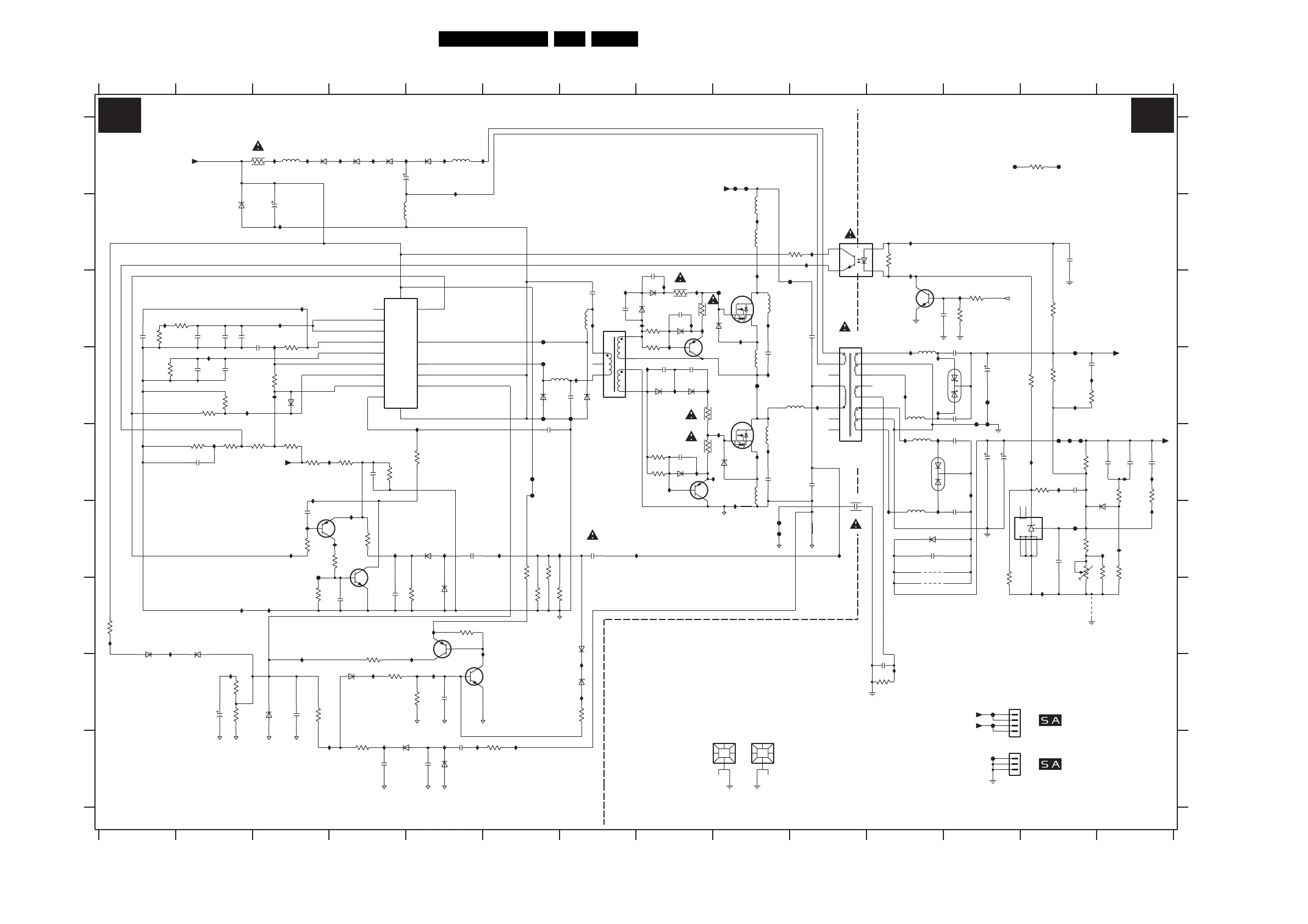
Philips ME6 - LCD Supply (37): Supply (A2)

Philips ME6
130 pages
Print Icon
To Next Page IconTo Next Page
To Next Page IconTo Next Page
To Previous Page IconTo Previous Page
To Previous Page IconTo Previous Page
Loading...
42LC4.31E AA 7.
Circuit Diagrams and PWB Layouts
LCD Supply (42”): Supply A
NC
3065 E
5
3006 D
3
3004 D
1
BIAS SUPPLY
3003 C
1
3005 C
3
TO 1304
3007 E
3
GROUND GROUND
GROUND GROUND
D
E
F
G
H
I
1009 I9
2003 A
4
3055 I6
(0V7)
3061 E
4
2027 F
3
2025 E
1
2028 D
1
2024 E
1
3016 C
8
2030 F
1
2026 G
4
2029 E
1
2031 D
1
3011 H
2
3012 F
4
3013 G
5
1%
Adj.
PROTECTION
3064 F
4
2007 E
2
4V9
2004 C
2
2008 G
4
(5V)
COLD
2006 C
3
2009 D
2
13
4V9
COLD
2039 C
1
12
2040 C
1
(0V3)
3033 B
1
3034 F
1
3037 D
1
3038 E
1
3040 E
1
17V3
HIGH SIDE
3058 E
3
3057 C
1
(0V)
3056 I4
F
G
H
3008 E
2
3009 E
2
3010 H
2
MRS25 1%
3014 C
8
3015 C
8
456789101112
2005 D
2
(7V6)
3032 C
1
AUDIO - STBY
14
1
CURRENT
2000 F
1
2045 F
1
2046 I4
2047 I5
2048 I5
2050 E
4
2060 C
7
2061 C
8
2062 D
8
2063 C
7
2064 D
7
3041 F
1
2065 D
8
2071 E
8
2072 C
8
2077 H
5
2290 H
1
3000 A
3
3001 F
6
3002 C
2
11
A4
E
0V6
12
HOT
C
3
9
2V
10
SUPPLY PART A
2
HOT
Vs
678
2044 D
1
B
1309 I1
2
1304 H
1
A
3018 E
8
3019 E
8
3020 E
8
3021 G
6
3022 D
1
3025 F
1
3026 G
1
3027 G
3
3028 B
1
3029 C
8
2002 B
3
CONTROL
13 14
A
B
C
D
1010 I9
DRIVE
(0V)
3048 D
2
2010 H
2
2011 E
1
2012 E
9
2013 D
9
FLM 1/6W
(0V5)
AUDIO - STBY
2014 F
7
2015 F
5
2016 E
6
2017 C
1
2019 H
3
2020 D
1
2021 C
2
2022 E
1
2023 B
1
345
3023 E
1
2035 F
1
TO 1309
Voltage
2032 E
1
3067 G
1
3068 H
4
3017 D
8
DRIVE
(1V2)
5V1
3043 D
2
3052 D
1
1%
3045 G
6
(0V7)
3047 H
3
3050 E
3
3046 F
6
3053 E
4
CONTROL
(0V3)
13V4
3066 F
3
3030 G
1
3031 C
1
2034 C
2
3024 E
1
LOW SIDE
399V
2038 E
1
2033 E
1
7V3
0V01
7V3
4V9
17V
RES
SOFTSTART
VS-CONTROLLER
I028
7030
BC847BW
2000V
2014
2n2
3023
15K
I078
3056
220R
5005
80R
15K
3012
I136
I021
100u
2010
GNDA
c001
50V
2015
10n
3065
6K8
I137
HOT_GNDA
GNDA
I034
2n2
2062
F030
5M6
3058
GNDA
I094
9004
50R
5041
2060
2n2
I092
I052
I070
6008
BAS316
I093
5025
80R
3000
4R7
I037
10K
3089
BZX384-C22
6081
2K7
3048
100p
2021
BC847BW
7004
16V
2030
100n
6016
BAS316
I151
GND3
I149
100R
6028
BAS316
I113
3017
GNDA
GNDA
1n0
2071
80R
5028
80R
5008
I135
25V_HOT_A
F017
I029
I085
6001
F007
BAS316
HOT_GNDA
470n
2008
16V
BAS316
6051
BAS316
6023
2019
10n
F027
6012
SML4744
9002
I133
400V_HOT_A
HOT_GNDA
1n0
2035
50V
I088
BYG22D
6080
1010
HEATSINK
I139
470p
2000
I140
10n
2039
80R
5013
2290
10n
50V
3292
560R
7007
BC857BW
220R
+24Va
3055
470n
2007
16V
3014
100R
2024
220n
16V
I114
I142
I124
5040
80R
PGND
11
SOST
15
VCC
VREF
5
BZX384-C4V7
6022
8
Ip
14
OA
OB
12
16
OS
1
OSCC
OSCCC
3
2
OSCR
13
EAO
6
EN|UA
9
FI
10
GND
4
In
7
I108
7001
MC34067P
I147
3024
18K
I119
6013
SML4744
I100
I033
2022
1m8 35V
BC847BW
7018
F024
F299
2033
1u0
630V
100p
2005
3031
I143
10K
I148
HOT_GNDA
I023
I150
I080
I009
5007
80R
3047
47R
2K2
3019
BC857BW
7008
47K
3032
2047
10n
GNDA
HOT_GNDA
HOT_GNDA
I105
6079
BYG22D
I109
400V_HOT_A
3010
470R
GNDA
HOT_GNDA
4
5
R
8
2009
100p
A
2
3
6
7
K
1
7010
TL431ACD
STP15NK50ZFP
7006
2032
4n7
1n5
2012
2000V
F031
c002
3002
10K
I010
BZX384-C22
6015
3027
100K
I012
6004 BAS316
I018
HOT_GNDA
1
3
2
3026
470R
I144
STTH2003CFP
6021
1m0
5010
I103
I132
I072
I055
BYV27-200
6078
3046
22R
HOT_GNDA
I038
F006
BAS316
6020
BAS316
6027
I131
35V
I081
2038
1m8
2000V
2013
1n5
F021
3001
100R
470R
3011
6003
BAS316
BAS316
6005
BAS316
6011
3057
220R
3037
15K
1304
B4P-VH
1
2
3
4
I104
I121
33K
3038
7005
STP15NK50ZFP
3999
1K0
I120
BAS316
6017
7017
BC857BW
F025
F022
F300
F008
I063
16V100n
F012
HOT_GNDA
2016
3016
2K2
+12V
I064
10K
3013
3052
33K
50V
2028
1n0
F028
7
9
6014
BYW29FP-200
10
2
3
4
6
I141
5001
S13932-04
200p
2004
630V
2K2
22R
3045
I057
3020
I039
5027
80R
F004
680K
F005
3053
2063
470p
100K
3003
I083
F009
I082
3061
68K
100R
3067
3075
1K0
80R
I112
5009
BYG22D
6077
330R
3008
HOT_GNDA
2020
2m2
25V
BAS316
6007
I073
BAS316
6006
3068
2K2
F023
2072
1n0
3029
2K2
F029
1K0
3033
I117
2065
2n2
F010
I138
5016
80R
I059
I145
I074
3066
10K
2006
1n025V
1309
B3P-VH
1
2
3
50V
2026
2n2
GNDA
I101
3025
1K8
3K3
3009
I036
5026
80R
22R
3021
I075
F014
F002
50V
2027
15n
3022
680R
2011
1600V
10n
GNDA
HEATSINK
1009
I022
3034
I084
I077
F003
I027
2031
10n
2023
2061
2n2
470n
3007
10K
3030
18K
I045
I006
I076
5017
50R
9010
HOT_GNDA
3004
27K
I107
47R
3018
100p
1n0
2050
2034
+12V
2046
47n
I007
HOT_GNDA
BC857BW
7009
3015
47R
1n0
I020
50V
2044
2077
2n2
BAS316
6002
I122
50V
I098
F032
1n0
2045
9
I024
2048
1n0
12
13
14
15
16
2
3
5
6
7
8
BS51312-01
5002
1
10
11
3005
33K
I046
3040
8K2
GNDAGNDA
6010
BAS316
2002
470u
3050
820K
I099
I134
I025
10n
2017
1600V
50V
2025
1u0
I096
6009
PDZ18-B
32
I042
7002
TCET1102(G)
14
3006
10K
I116
560p
2040
F018
I062
2003
1m0
I110
5004
50R
3043
1R0
1K0
I294
3070
I008
3064
10K
50V
2029
1n0
I089
33K
3041
I051
3
2
80R
5015
6044
STPS20L45CT
1
I097
I146
+24Va
F016
I111
2064
470p
3071
10K
3028
1K0
DC_PROT
F_15420_082.eps
190705
3104 313 3958.3
A2 A2

Table of Contents

Related product manuals