EasyManua.ls Logo

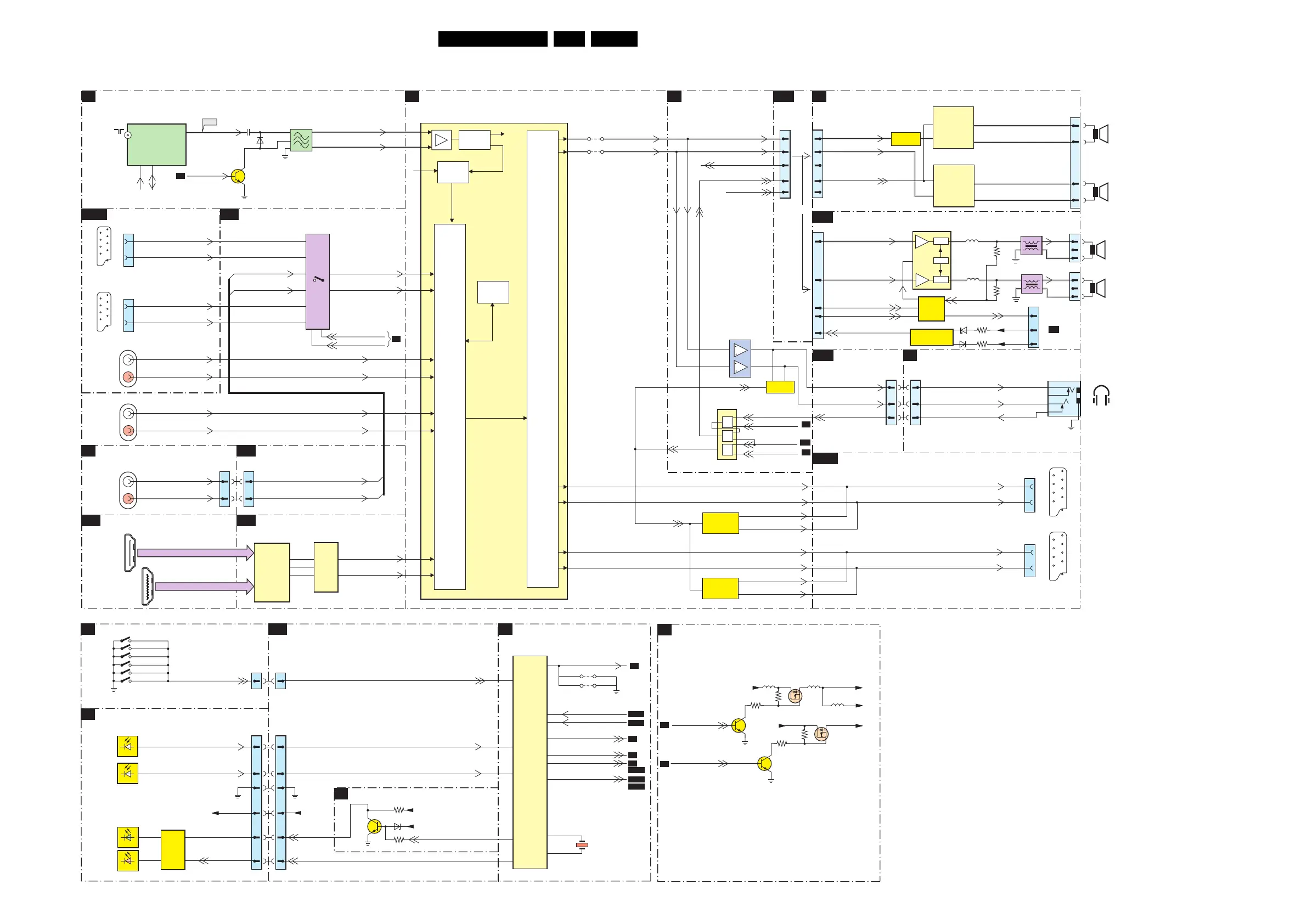
Philips ME6 - Block Diagram Audio

Philips ME6
130 pages
Print Icon
To Next Page IconTo Next Page
To Next Page IconTo Next Page
To Previous Page IconTo Previous Page
To Previous Page IconTo Previous Page
Loading...
Block Diagrams, Test Point Overviews, and Waveforms
29LC4.31E AA 6.
Block Diagram Audio
B5
AUDIO PROCESSING
B17
SIDE
CONNECTORS
D
SIDE AV
B2
HERCULES
B1
TUNER & IF
AUDIO
CONTROL
J
IR/LED/LIGHT-SENSOR
B2
HERCULES
C
AUDIO AMPLIFIER
(CLASS-D)
B16
B14
DIGITAL IO
B15A
SCART ANALOG-IO
D
SIDE AV
B17
SIDE CONNECTORS
E
KEYBOARD CONTROL
B17
SIDE CONNECTORS
B3
SYNC INTERFACE
B6
DC-DC CONVERTER
B14
DIGITAL IO
SA3
AUDIO
B15A
SCART ANALOG-IO
B12
HDMI
1001
4
3
2
1
LEFT
SPEAKER
RIGHT
SPEAKER
60
61
AUDOUTLSR
AUDOUTLSL
1K01
(1K04)
10 10
1304
(1M36)
12 12
HP_LOUT
HP_ROUT
HEADPHONE
HEAD_PH_L
HEAD_PH_R
7217
TDA15021H
1152
UV1318S
RF IN
TUNER
2156
11
4
5
SCL
SDA
QSS Mixer
AM Demod.
AM
1156
4
5
1
SIF1
SIF2
AD Conv.
Std Stereo
Decoder
21
1
1G02-1
21
1
1G01-1
21
1
SC1_L_RF_OUT
SC1_R_RF_OUT
AV1_Audio_INL
AV1_Audio_INR
34
35
SC2_L_MON_OUT
SC2_R_MON_OUT
AV2_Audio_INL
AV2_Audio_INR
21
1
62
63
36
37
29
30
33
IF-TER
IFOUT
F158
AUDIO
SELECT
ADC/DAC
AUDIO
CONTROL
Vol/Treb/
Bass
Features
DACs
I2S
Processor
QSS/FM
1310(1704)
3324(1705)
1311(1701)
1312(1702)
1313(1706)
Channel+
Channel-
Volume+
Volume-
Power
33
55
1870
(0345)
1K00
22
44
66
PC-TV-LED
LED_SEL
RC
+3V3STBY
PC-TV-LED
LED_SEL
RC_OUT
KEYBOARD
97
7217
TDA15021H
115
107
120
7430
+3v3STBY
+5VSW
3431
6430
114
SEL_IF_SDM
4204
SERVICE
SDM
116
STATUS_1
B15A
119
STATUS_2
MUTE
OUT_MUTE
102
EXT_MUTE
B5
POWER_DOWN
SOUND_ENABLE
111
SOUND-ENABLE
B5
122
SC_STANDBY
B6
G_16210_062.eps
030206
B1
HERCULES
6154
7151
3
SEL_IF_SDM
B2
MUTE
OUT_MUTE
MUTE
4211
4212
1J04
33
1002
11
POWER
COMPARATOR
7001
TDA8931T
OUT
HVPI
16
13
IN+
4
POWER
COMPARATOR
7000
TDA8931T
OUT
HVPI
16
13
IN+
4
88
7
AUDIO-R
SOUND-ENABLE
AUDIO-L
PHASE
INVERTER
SOUND-ENABLE
7606
7202
7201
1G01-1
6
2
1G02-1
6
2
1G02-2
66
88
L_FRONT_IN
R_FRONT_IN
SIDE_AudioINL
SIDE_AudioINR
53
54
1304
(1M36)
1K01
(1K04)
11
LIGHT-SENSOR
LSIPDP_DVB_SEMISTANDBY
1309(1703)
Menu
1684
(1M01)
22
1K02
(1M01)
KEYBOARD
+3V3STBY
P50_LIN2_ITV_IR_SW_RST
123
1202
24M576
127
AV2_DMMI_SW
7601
TS482ID
1
7
2
6
SC1_L
SC1_R
SC2_L
SC2_R
7
7004
11
10
1303
(1010)
7
1
2
11 11
HP_DET_R_DC1
HP_DET_R_DC_1
HP_DET_R_DC_1
EXT_MUTE
2
1
9
10
7602
74HC08PW
B16
B2
B2
6
8
SC1_L_RF_OUT
SC1_R_RF_OUT
SC2_L_MON_OUT
SC2_R_MON_OUT
OUT_MUTE
&
&
&
3
5
3432
RES
7756
3759
3750
+3V3STBY
+3V3SW
SC_STANDBY
7755
PANEL-PWR-CTL
3758
3755
LVDS_VCC
5756 5757
PAN_VCC
+12VSW
B8
B2
EXT 1
SCART 1
EXT 2
SCART 2
AUDIO
L/R IN
3
1
3
1
7758
7754
2
HD_AudioINL
HD_AudioINR
HD_AudioINL
HD_AudioINR
49
50
1302
(1002)
7F03
1
12
4
11
2
15
3
13
9
Analog_AudioSEL1
1F01
AUDIO
L/R IN
DVI_D_AudioINL
DVI_D_AudioINR
DVI_D_AudioINL
DVI_D_AudioINR
56
57
SIDE_AudioINL
SIDE_AudioINR
Analog_AudioINL
Analog_AudioINR
10
Analog_AudioSEL2
B7
7D03
TDA9975
7D04
UDA1334ATS
DAC
14
16
HDMI_AudioINL
HDMI_AudioINR
1
3
2
A5
A7
B7
HDMI
10-BIT
VIDEO
CONVERTER
HDMI_A
HDMI_B
1F02
1F03
19
1
18 2
19
1
18 2
FOR 26” & 32” ONLY
FOR 37”ONLY
7
9
8
3
1
1739
PWM
PWM
OSC
7700
TDA7490
5731
1736
1
2
3
5730
1735
1
2
3
1M02
7
TO 1M02
SUPPLY
A
SOUND
ENABLE
SOUND-ENABLE
AUDIO SUPPLY
PROT, CIRCUIT
PROT_AUDIOSUPPLY
7701÷7707
POR-CLASSD
PROT1
stby-
mute
10
6
18
3
23
AUDIO-L
AUDIO-R
3764
6703
3761
6702
-16 V-19V
+16 V+19V
7708÷7711
3717
3718
DCPROT
77
PROTECT_AUD
AUDIO-R
AUDIO-L
99
POR_AUDIO
OR
1
5
5702
5701
LED
SELECT
LED
GREEN
LED
RED
LIGHT
SENSOR
REMOTE
CONTROL
5700
LEFT
SPEAKER
RIGHT
SPEAKER
4205
B15A
B15B
B15A
B15B
( ) For 37” - 42”
( ) For 37” - 42”
( ) For 37” - 42”
( ) For 37” - 42”
AUDIO
L/R IN
HDMI 1
HDMI 2
EXT 1
SCART 1
EXT 2
SCART 2

Table of Contents

Related product manuals