EasyManua.ls Logo

Philips ME6 - Standby & Audio Panel: Audio (SA3)

Philips ME6
130 pages
Print Icon
To Next Page IconTo Next Page
To Next Page IconTo Next Page
To Previous Page IconTo Previous Page
To Previous Page IconTo Previous Page
Loading...
98LC4.31E AA 7.
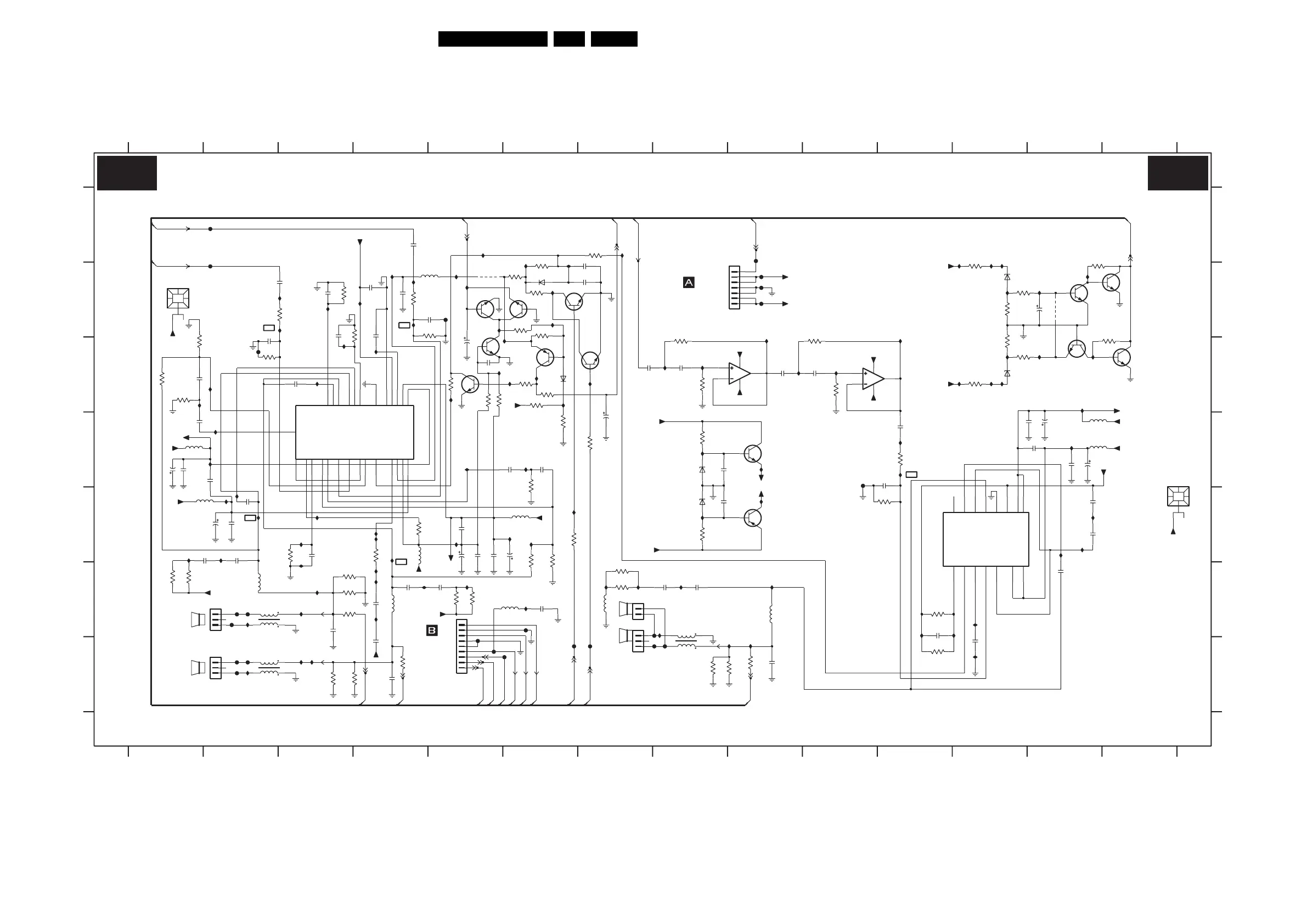
Circuit Diagrams and PWB Layouts
Standby & Audio Panel: Audio
F722 F2
F731 G8
6710 D8
6711 E8 F747 G5
TO 1M02
FTV 2.X
JL 2.X
LC 4.C
BL 2.X
-18V
TO 1M52
I700 E6
I701 E6
I702 A6
I703 B6
I704 A6
I705 D6
I706 D5
I707 E3
I708 F11
7709 C13
7710 B13
F711 A2
F712 B2
F713 C2
F714 B5
F718 D10
F720 G8
F721 G2
I718 B5
F710 G2
F708 F2
30"/37"/42"
7701 B7
7702 E11
7703 C7
7704 B5
7705 B6
7706 C6
7707 C5
7708 C13
3790 B4
3791 C2 5730 F2
5731 G2
5732 G8
6701 C6
6702 B12
6703 C12
6704 B6
9718 B13
5703 B5
5702 F2
LCD SUPPLY
R
E
F
G
1735 F2
1736 G2
7711 B13
7712 D9
7713 E9
7714 C5
7715-1 C9
7715-2 C11
9717 B5
67
1737 F7
1738 F7
1739 F5
1M02 A9
2702 B5
SA3
3
3792 B3
3793 B4
3794 D11
3795 C5
3796 E11
3797 C5
3798 D6
78
A
B
C
D
E
F
G
0044 D14
0045 B1
D
SA1,SA2,SA3
12345
2711 E2
2712 E5
8 9 10 11 12 13 14
12
2722 D1
SA3(3x)
15W/8
SA1,SA2,SA3
SA3
456
2756 G12
2758 G9
9 1011121314
A
B
C
2780 E5
SA3
-18V
AUDIO
CENTERWOOFER
2704 C2
2705 A7
2706 B4
2707 B4
2708 G4
2709 D6
2710 D6
2790 E2
2791 C7
2713 B7
2714 C3
2715 F4
2716 B3
2717 G4
2718 E3
2719 F5
2720 F4
2721 C1
3702 B6
SA3
15W/8
SA3
2723 F8
2725 F6
2726 E2
2727 E2
2728 B3
2729 F3
2741 F11
2743 F13
2753 E13
2754 D11
2755 D11
3711 E4
3712 E32759 F8
2762 E13
2764 B2
2766 A4
2768 E5
2769 E5
2777 D1
2778 C5
2779 E2
3723 C1
SA3
SA3
SA3(3x)
SA3
SA3
2781 E5
2782 D12
2783 D7
2784 D13
2785 B13
2786 B4
2787 C5
2788 D1
2789 D2
3746 C6
3747 C62792 C8
2793 D13
2794 C9
2795 D13
2796 C10
2797 D8
2798 E8
2799 D13
3701 E6
3757 G3
SA3
SA3(3x)
SA3 (3x)
3703 A6
3704 B6
3705 E4
3706 E6
3707 D6
3708 F6
3709 F5
3710 B3
3767 B12
3768 B13
3713 D7
3714 C6
3715 B6
3716 B6
3717 F3
3718 G4
3720 F7
3721 C1
3722 C1
5701 F4
SA3
15W/8
SA3
3724 F1
3725 B4
3726 F1
3727 F5
3729 G9
3730 F7
3741 F11
3743 F3
3744 G11
5722 D13
5723 D13
3748 C5
3749 A7
3750 G3
3751 G8
3752 B8
3753 G8
3754 C8
3755 B10
3756 F3
7700 C3
L
3758 C10
3759 D8
3760 E8
3761 B12
3762 B12
3763 C12
3764 C12
3765 C12
3766 C14
I729 C5
I730 F7
F736 G7
F737 G6
F738 F2
F739 G2
F741 G8
F742 B9
F743 B9
F744 B9
F745 A9
I740 D9
F748 G5
F749 G6
F751 F65704 F7
5705 F6
5707 D1
5708 E1
5711 E6
5712 E4
5720 F9
I751 A12
I752 E13
I709 C3
I710 F5
I711 B4
I712 A5
I713 B3
I714 C8
I715 A7
I716 C3
I717 B5
I762 D11
I763 C6
I764 D13
I765 D13
I719 F3
I720 C8
I721 E4
I722 B2
I723 B9
I724 E2
I725 E1
I726 C2
I727 B5
I728 C9 I778 E2
I779 E2
I731 B11
I732 C6
I733 C10
I734 F12
I735 D8
I736 E8
I737 C6
I738 C6
I739 B6 I790 F3
I741 E9
I742 C12
I743 C12
I744 E6
I745 B4
I746 E13
I747 D11
I748 F4
I749 E4
I750 B12
I753 F4
I754 E2
I755 F4
I756 C1
I757 D2
I758 G12
I759 F12
I760 C5
I761 F8
I791 B12
I792 B13
I793 B13
I794 B12
I795 F6
I796 C12
I797 C12
I798 E5
I799 E3
I766 G9
I767 F2
I768 G3
I769 F3
I770 G2
I771 G3
I772 F8
I773 G9
I774 F9
I775 F7
I776 E4
I777 D2
4K7
I780 E13
I781 C13
I782 C13
I783 B2
I784 F4
I785 B4
I786 B4
I787 C4
I788 C7
3721
I728
16V22u
2783
33n
2714
3760
3K3
3K3
3759
2716
330p
2717
I722
-Vf11
680n
I768
6702
BZX384-C10
1
2
B2B-PH-K
1737
F736
100u
2768
220n
2712
-Vf1
I716
-Vf21
I710
3724
220R
I739
I799
7703
BC847BW
8K2
3758
2727
3726
1n0
220R
I778
2792
1u0
BZX384-C10
6703
5704
I740
-Vf1
I763
2K2
I715
3750
120K
3795
I783
100K
3729
I741
470p
2721
-Vf11
I713
3767
100K
2705
470n
1u0
2796
2784
220n
-Vf1
3722
68K
68u
5702
10R
3764
F748
56K
3723
I730
5708
F710
3752
+16V+19V
330R
220n
2782
220n
2789
I784
I753
3725
22K
I729
5703
2711
1n0
2728
330p
3710
22K
I794
I792
I735
I736
1u0
2791
I724
I747
I709
2769
100u
470R
3748
220n
2720
9717
10K
3704
F751
+16V+19V
F747
I726
I714
470R
3755
68u
5720
3702
10K
F708
Vm
I727
100K
3765
3792
10K
5
6
7
8
4
I762
I787
LM833D
7715-2
3711
Vp
120K
5701
68u
2797
220n
2K2
3751
F721
-Vf21
470R
3749
3753
Vp
Vm
2K2
2794
1u0
7707
BC847BW
I734
3701
10K
I754
I775
2u2
2u2
2766
2764
3798
15K
F749
3761
-16V-19V
10R
I723
I759
3768
100K
BC847BW
7709
7710
BC847BW
220n
2753
2K73790
2722
470p
I720
470p
2756
4u7
2778
3754
47K
3716
22K
3762
1n0
2759
2K2
6704
BAS316
F720
F741
-Vf1
3715
47K
I796
I797
I782
33n
2743
680n
2758
I742
I750
I743
3706
4K7
100K
3744
-Vf21
220n
2795
3713
1K2
3796
2K7
2799
100u
VCCPOWp
13
8
VCCSIGNn
VCCSIGNp
11
12
VREG
6
FREQ
9
IN
4
NC
OUT
1
SGN_GND
7
10
ST_BY|MUTE
14
VCCPOWn1
15
VCCPOWn2
7702
TDA7482
BOOT
3
2
BOOTDIODEFEEDCAP
5
PLT09H
5732
1
2
4
3
12
43
2
43
5731
PLT09H
PLT09H
5730
1
6711
BZX384-C15
Vp
BZX384-C15
6710
I780
I764
2741
22p
F743
I733
+16V+19V
2793
100u
I721
1n0
2719
I786
3747
47K
I745
470p
I772
2710
+16V+19V
I781
220R
1
2
3730
1
2
0044 HEATSINK
I705
HEATSINK
0045
F731
I788
F712
F713
I701
-16V-19V
220K
3797
2787
1u0
F739
I798
10K
3712
220n
2777
470p
2709
2729
680n
I795
I725
2725
100p
3705
8R2
2707
I746
100n
F722
2723
1n0
I790
2
1
8
4
I761
7715-1
LM833D
3
F738
I765
3791
2K7
I731
22p
2718
2706100n
2779
220n
I785
I751
I773
B3B-PH-K
1735
1
2
3
2726
I776
33n
F744
BC847BW
7714
220n
2798
F718
1
2
3
4
5
6
7
B7B-EH-A
1M02
F714
22n
2786
9718
1
2
3
4
5
6
7
8
9
1739
B9B-PH-K
5707
I702
7708
BC847BW
3766
100K
2u2
2754
I738
-16V-19V
F711
220R
3720
3718
220n
100K
I711
2762
5712
2K2
3743
3707
68K
I774
-16V-19V
2704
1n0
2708
220n
-16V-19V
-16V-19V
F737
BC847BW
7705
470n
2713
3756
2K2
1n0
2755
I703
2K2
3763
I704
I779
I777
I760
3794
10K
2788
100u
100u
2790
47K
3714
I793
3703
33K
I757
1736
B3B-PH-K
1
2
3
5723
I700
I718
I756
I717
I758
BC857BW
7713
2785
100u 16V
BC847BW
7712
5722
I708
I752
I737
7711
BC847BW
I769
220n
2781
1n0
2702
F745
I744
3746
39K
3708
56K
I707
BC857BW
7706
5711
I706
BC847BW
7704
I749
-Vf11
220n
2780
I748
2K2
3757
+16V+19V
3709
220R
NC1
20
OSC
8
3
OUT1
OUT2
23
6
STBY-MUTE
11
T1
15
T2
VREG
25
CURREF
14
FEED1
7
9
FEED2
FEED3
17
19
FEED4
13
GND
IN1
10
18
IN2
4
+VCCPOW1
+VCCPOW2
22
16
-5V
-VCCPOW1
2
-VCCPOW2
24
-VCCSIGNSUB
1
5
BOOT1
BOOT2
21
7700
TDA7490L
+5V
12
I719
I766
I791
BAS316
6701
100K
3717
3741
F742
10K
I732
379310K
I755
220R
3727
+16V+19V
+16V+19V
5705
2715
1n0
Vm
7701
BC847BW
2
3
I712
B3B-PH-K
1738
1
I771
I767
I770
AUDIO-L
PROT1
AUDIO-SW
DCPROT
DCPROT
PROT_AUDIOSUPPLY
PROT1
PROT1
PROT1
AUDIO-L
AUDIO-R
PROT_AUDIOSUPPLY
SOUND-ENABLE
POR-CLASSD
AUDIO-R
SOUND-ENABLE
AUDIO-SW
POR-CLASSD
SA3 SA3
3104 313 6064.7
G_16210_097.eps
180506

Table of Contents

Related product manuals