EasyManua.ls Logo

Philips ME6 - Page 54

Philips ME6
130 pages
Print Icon
To Next Page IconTo Next Page
To Next Page IconTo Next Page
To Previous Page IconTo Previous Page
To Previous Page IconTo Previous Page
Loading...
54LC4.31E AA 7.
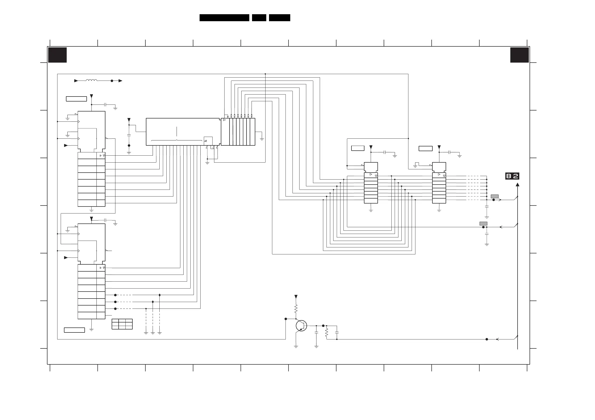
Circuit Diagrams and PWB Layouts
SSB: Audio Delay Line (PDP Only)
EN
C1
1D
EN
C1
1D
2C1
14
13
11
10
9
8
7
6
5
4
3
2
1
0
2EN
32k-1
0
A
A,1D
12
A
G2
C2
G1
1+
CT=0
CTR8
(CT=255)Z4
2D 3
4
EN3
C2
G1
1+
CT=0
CTR8
(CT=255)Z4
2D 3
4
EN3
AUDIO DELAY LINE (LIPSYNC) (FOR PDP SETS ONLY)
COUNTER
COUNTER
LATCH
LATCH
2V3
2V3
5V3
5V3
2V6
2V6
2V6
2V6
2V6
2V6
2V6
5V3
2V5
2V5
2V5
2V5
2V5
2V5
2V5
2V5
2V3
5V3
2V3
5V3
5V3
2V6
2V6
2V6
2V6
2V6
2V6
2V6
2V3
0V2
5V3
2V3
2V6
2V3
5V3
2V6
RES
*
RES
RES
RES
RES
RES
RES
RES
RES
*
I505 F2
I506 E3
I507 E3
10
A
B
C
D
E
F
A
B
C
D
E
F
2501 A2
2502 B2
2503 D2
2504 B8
2505 B9
2506 C10
2507 D10
2508 F6
2509 F7
3501 F6
3502 F6
4501 E2
4502 F2
4503 F2
4504 F2
4505 F3
4506 F3
I505
12345678910
123456789
4507 C9
4508 C9
4509 C9
4510 C9
4511 C9
4512 C9
4513 C9
4514 C9
5501 A1
7501 A1
7502 B3
7503 F1
7504 F6
7505 B7
7506 B8
F501 A2
F502 B2
F503 C10
F504 D10
F505 F10
I501 F5
I502 F6
I503 E2
I504 E2
I506
I507
I504
I503
22
28
27
F502
5
20
11
12
13
15
16
17
18
19
14
8
9
10
24
25
26
1
2
3
4
RAM
32kx8
7502
CY62256LL-70ZC
21
23
6
7
2508
82p
2507
470p
20
2506
330p
11
1
19
18
17
16
15
14
13
12
2
3
4
5
6
7
8
9
10
13
12
20
7505
74HC573PW
10
11
1
19
18
17
16
15
14
2
3
4
5
6
7
8
9
F505
7506
74HC573PW
4506
4504
I501
I502
F503
F504
4513
4514
4512
4510
4511
4509
4508
+5VD
4507
4501
4505
4503
4502
BC847BW
47K
3502
7504
470R
3501
82p
2509
+5VD
100n
2505
+5VD
100n
2504
+5VD
+5VD
100n
2502
+5VD
100n2503
+5VD
2501 100n
+5VD
+5VD
F501
1u05501
5
6
7
13
9
16
VCC
+5VSWI
8
GND
14
15
1
2
3
4
M74HC590T
7503
11
12
10
5
6
7
13
9
VCC
16
8
GND
14
15
1
2
3
4
M74HC590T
7501
11
12
10
I2SDI1
I2SCLK
I2SDO1
G_16210_004.eps
160106
3139 123 6117.2
B4 B4
4503
4504
LCD PDP
N
Y
Y
N
*

Table of Contents

Related product manuals