EasyManua.ls Logo

Philips PCL304 - Block Diagram

Philips PCL304
82 pages
Print Icon
To Next Page IconTo Next Page
To Next Page IconTo Next Page
To Previous Page IconTo Previous Page
To Previous Page IconTo Previous Page
Loading...
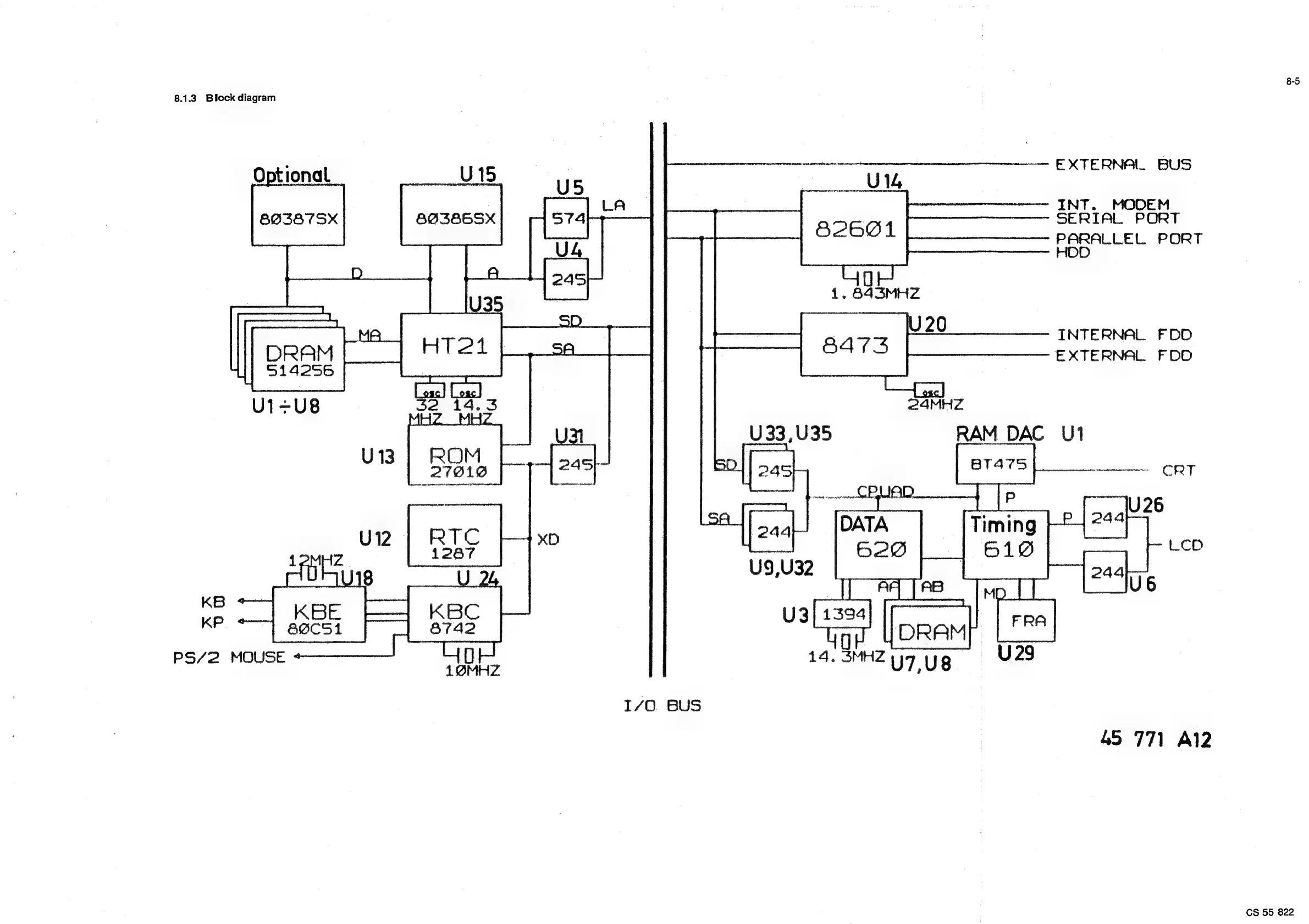
8.1.3
Block
diagram
:
EXTERNAL
BUS
enrages
Optional
U15
ie
NOT
are
ee
|
a
INT.
MODEM
8O0387SX
tN
oecenaees
eee
tee
HOD
)
7
1.
843MHZ
|
DRAM
aes
BA73
U20
INTERNAL
FDD
|
S14256
EXTERNAL
FDD
U1=U8
2s
ee
oe
erie
Are
mes
al
aetinn
)
XD
PS/2
MOUSE
-
14.
3MHZ
97
Ug
I/O
BUS
45
771
Al2
CS
55
822

Related product manuals