EasyManua.ls Logo

Philips PCL304 - Page 67

Philips PCL304
82 pages
Print Icon
To Next Page IconTo Next Page
To Next Page IconTo Next Page
To Previous Page IconTo Previous Page
To Previous Page IconTo Previous Page
Loading...
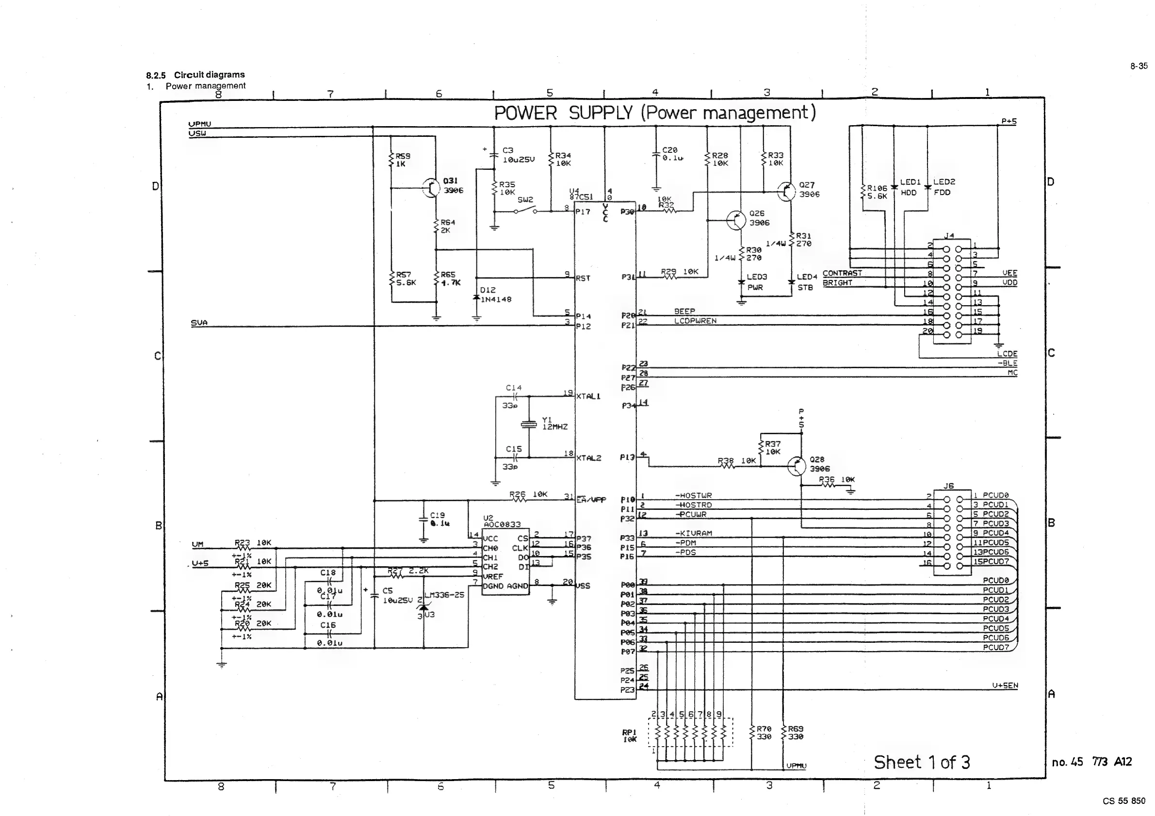
8.2.5
Circuit
diagrams
1.
Power
management
C3
1@u2SVU
R35
10K
8-35
E04
SRG
STB
BEEP
LCOPWREN
Pio
Pll
P32
a
eee)
EEE
B
13
-KIURAM
O
LIPCUDS
y
pisp———seon
Pis
Pis
2
-HOSTRD
-PCUUR
R7@
R63
339
338
Sheet
1
of
3
no.
45
773
Ai2
CS
55
850

Related product manuals