EasyManua.ls Logo

Philips VES1.1E - Page 19

Philips VES1.1E
79 pages
Print Icon
To Next Page IconTo Next Page
To Next Page IconTo Next Page
To Previous Page IconTo Previous Page
To Previous Page IconTo Previous Page
Loading...
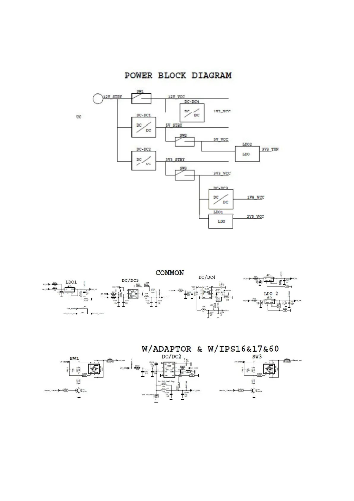
The blocks on power block diagram is using dependent to main supply. For PW26 and
PW27 just common blocks are enough for proper operation.
For IPS16, IPS17, IPS60 below blocks must work properly.
For adapter case also below blocks are necessary.

Table of Contents

Related product manuals