EasyManua.ls Logo

Philips VES1.1E - Page 20

Philips VES1.1E
79 pages
Print Icon
To Next Page IconTo Next Page
To Next Page IconTo Next Page
To Previous Page IconTo Previous Page
To Previous Page IconTo Previous Page
Loading...
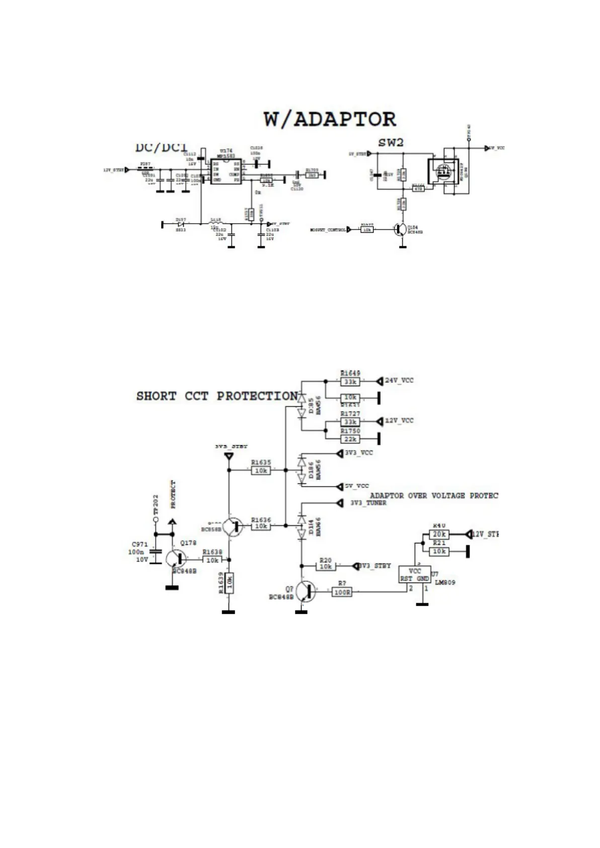
Short CCT Protection Circuit
Short circuit protection is necessary for protecting chassis and main IC against damages
when any Vcc supply shorts to ground. Protect pin should be logic high while normal
operation. When there is a short circuit protect pin shold be logic low. After any short
detection, SW forces LEDs on LED card to blink.

Table of Contents

Related product manuals