EasyManua.ls Logo

Philips VES2.2E LA - Page 26

Philips VES2.2E LA
72 pages
Print Icon
To Next Page IconTo Next Page
To Next Page IconTo Next Page
To Previous Page IconTo Previous Page
To Previous Page IconTo Previous Page
Loading...
IC Data Sheets
EN 26 VES.2.2E LA8.
2013-Jul-19
back to
div. table
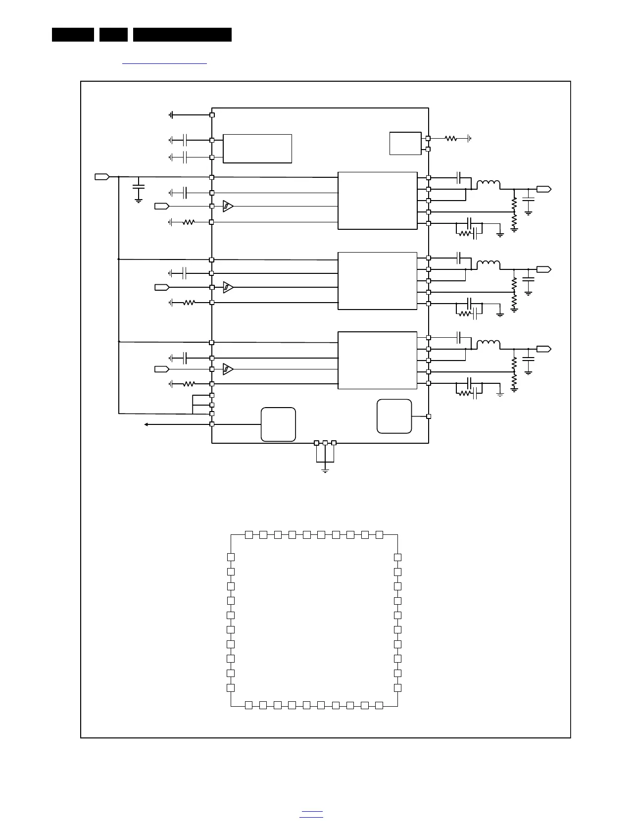
8.4 Diagram 10-3-5 B05, Power, TPS54528 (IC U9)
Figure 8-4 Internal block diagram and pin configuration

Table of Contents

Related product manuals