EasyManua.ls Logo

Philips VES2.2E LA - Page 27

Philips VES2.2E LA
72 pages
Print Icon
To Next Page IconTo Next Page
To Next Page IconTo Next Page
To Previous Page IconTo Previous Page
To Previous Page IconTo Previous Page
Loading...
IC Data Sheets
EN 27VES.2.2E LA 8.
2013-Jul-19
back to
div. table
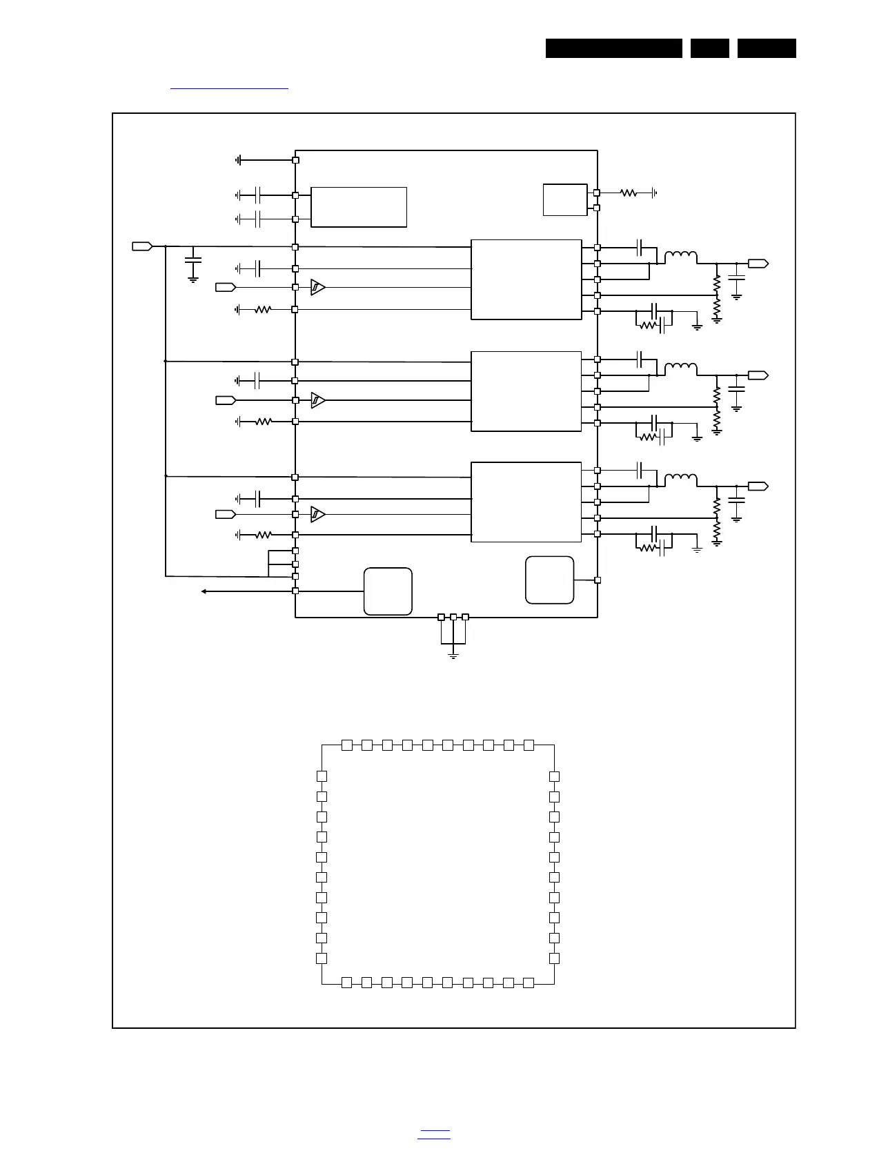
8.5 Diagram 10-3-5 B05, Power, TPS65251 (IC U19)
Figure 8-5 Internal block diagram and pin configuration
19421_303_130516.eps
130516
Block diagram
Pinning information
TPS65251
(power pad connected to ground)
3
MILR
VIN3
LX3
LX3
VIN
LX2
LX1
LX1
3S
S
3PMC
CNY
S
123 456
11
12
13
14
15
16
17
18
19
20
7 8 9
10
1PMC
CSOR
1B
F
LX2
VIN2
D
N
GA
V
3
V
V
7
V
29 28 27 26 25 24
DNG
23 22 21
30
2
P
M
O
C
P_
WOL
2
B
F
40
39
38
37
36
35
34
33
32
31
GND
VIN
VIN
DO
OG
P
BST3
EN3
VIN1
BST1
1
MI
LR
2S
S
2M
ILR
EN2
BST2
1
S
S
EN1
3
BF
GND
OSC
EN3
12V DC Supply
from enable logic
INTERNAL
VOLTAGE RAILS
V3V
V7V
Vout BUCK1
LX1
LX1
FB1
COMP1
BST1
BUCK1
Vout BUCK2
LX2
LX2
FB2
COMP2
BST2
BUCK2
Vout BUCK3
LX3
LX3
FB3
COMP3
BST3
BUCK3
EN2
from enable logic
EN1
from enable logic
SS2
SS1
SS3
VIN1
VIN2
VIN3
Rlim1
ROSC
AGND
PG
Generator
PGOOD
SYNC
Rlim2
Rlim3
PFM mode
LOW_P
VIN
GND
TPS65251

Table of Contents

Related product manuals