EasyManua.ls Logo

Pioneer PDP-5016HD - Signal Flow (Hdmi )

Pioneer PDP-5016HD
234 pages
To Next Page IconTo Next Page
To Next Page IconTo Next Page
To Previous Page IconTo Previous Page
To Previous Page IconTo Previous Page
Loading...
PDP-5016HD
77
5678
56
7
8
C
D
F
A
B
E
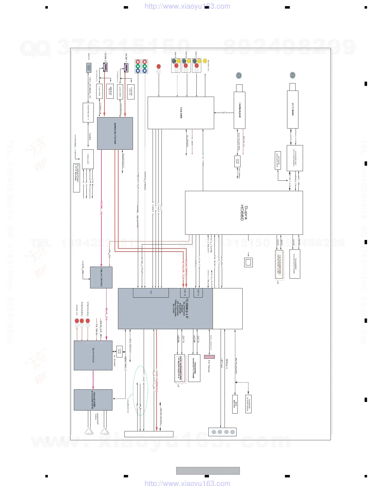
3.17.7 SIGNAL FLOW (HDMI )
PDP Module
DTV-ANTE
NNA_IN
ANTENNA_IN
HDMI1
COMPO
NENT 1
COMPO
NENT 2
DIGITA
OUT
w
w
w
.
x
i
a
o
y
u
1
6
3
.
c
o
m
Q
Q
3
7
6
3
1
5
1
5
0
9
9
2
8
9
4
2
9
8
T
E
L
1
3
9
4
2
2
9
6
5
1
3
9
9
2
8
9
4
2
9
8
0
5
1
5
1
3
6
7
3
Q
Q
TEL 13942296513 QQ 376315150 892498299
TEL 13942296513 QQ 376315150 892498299
http://www.xiaoyu163.com
http://www.xiaoyu163.com

Table of Contents

Related product manuals