EasyManua.ls Logo

Pioneer VSA-E03 - Page 11

Pioneer VSA-E03
61 pages
Print Icon
To Next Page IconTo Next Page
To Next Page IconTo Next Page
To Previous Page IconTo Previous Page
To Previous Page IconTo Previous Page
Loading...
VSA-E03
11
A
B
C
D
5
678
5
6
7
8
CN507
N
352
J
2/2
A
CN9801
1/3
Q
CN9802
1/3
Q
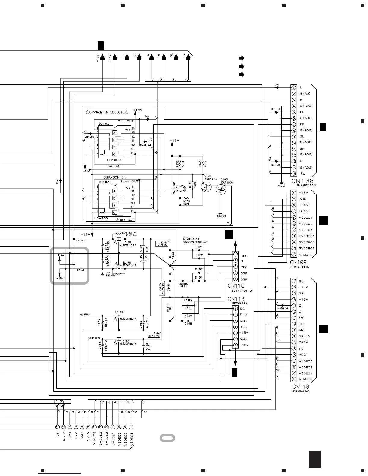
: AUDIO SIGNAL ROUTE
L ch
: AUDIO SIGNAL ROUTE (CENTER)
C ch
: AUDIO SIGNAL ROUTE (FRONT)
FL ch
CN554
O
ACH7112
3300/35
ACH7113
2200/35
ACH7111
3300/16
: The power supply is shown with the marked box.
1/2
A

Other manuals for Pioneer VSA-E03

Related product manuals