EasyManua.ls Logo

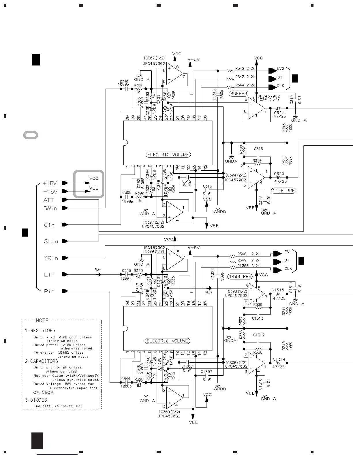
Pioneer VSA-E03 - Input Assembly Schematics (2;2)

Pioneer VSA-E03
61 pages
Print Icon
To Next Page IconTo Next Page
To Next Page IconTo Next Page
To Previous Page IconTo Previous Page
To Previous Page IconTo Previous Page
Loading...
VSA-E03
12
A
B
C
D
1
23
4
1234
: The power supply is
shown with the marked
box.
3k
120p
12k
12k
12k
68p
68p
3k
3k
1/2
A
2/2
INPUT ASSY(2/2)
(AWX7438)
A
E. VOL BLOCK
1/2
A
1/2
A
IC301
LC7535M
(LC7536M)
IC303
LC7535M
(LC7536M)
3.4 INPUT ASSY (2/2)
2/2
A

Other manuals for Pioneer VSA-E03

Related product manuals