EasyManua.ls Logo

Pioneer VSA-E03 - Component Assembly Schematics

Pioneer VSA-E03
61 pages
Print Icon
To Next Page IconTo Next Page
To Next Page IconTo Next Page
To Previous Page IconTo Previous Page
To Previous Page IconTo Previous Page
Loading...
VSA-E03
18
A
B
C
D
1
23
4
1234
2/2
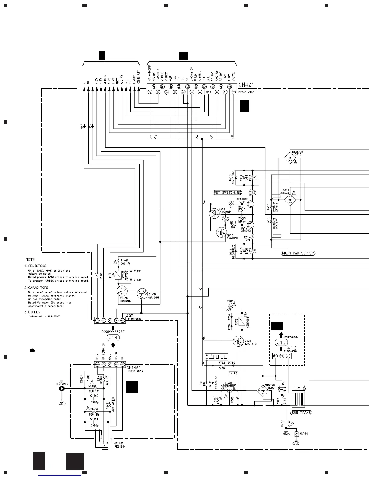
AMP ASSY(2/2)
(AWX7226)
D
HEADPHONE
ASSY
(AWX7230)
I
1/2
D
CN203
B
ATT7037
VNF-091
1000/25
: AUDIO SIGNAL ROUTE
(HEAD PHONE)
HP
+42.4
(B)
(B)
–42.4
CN376
MB
3.7 AMP (2/2), HEADPHONE, TRANS 2, TRANS 1, BARRIER, FET
and MECH SW ASSYS
2/2
D
I

Other manuals for Pioneer VSA-E03

Related product manuals