EasyManua.ls Logo

Pioneer VSA-E03 - Page 19

Pioneer VSA-E03
61 pages
Print Icon
To Next Page IconTo Next Page
To Next Page IconTo Next Page
To Previous Page IconTo Previous Page
To Previous Page IconTo Previous Page
Loading...
VSA-E03
19
A
B
C
D
5
678
5
6
7
8
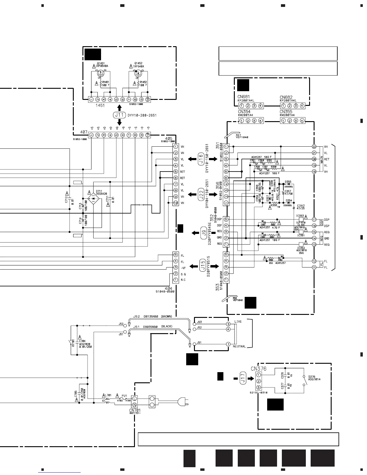
AC220-230V
NP
1.8k
TRANS 1 ASSY
(AWX7287)
K
TRANS 2 ASSY
(AWX7292)
J
BARRIER ASSY
(AWX7284)
L
FET ASSY (AWX7228)
CN115
MAIN TRANS.
1/2
A
MAIN TRANS.
AC POWER CORD
VDG1061: EXCEPT HVXJI TYPE
VDG1063: HVXJI TYPE ONLY
LIVE
NEUTRAL
REK-104
T2.5A250V
AC240V
AC230V
ATF-151
(B)
+59.5
–59.5
NOTE FOR FUSE REPLACEMENT
FOR CONTINUED PROTECTION AGAINST RISK OF FIRE.
REPLACE WITH SAME TYPE AND RATINGS ONLY.
CAUTION -
MA
MB
MECH SW ASSY
(AWX7247)
410
2/2
D
CAUTION : FOR CONTINUED PROTECTION AGAINST RISK OF FIRE,
REPLACE ONLY WITH SAME TYPE NO. 491005, MFD BY
LITTELFUSE INK. FOR IC351, IC352 (AEK7019).
CAUTION : FOR CONTINUED PROTECTION AGAINST RISK OF FIRE,
REPLACE ONLY WITH SAME TYPE NO. ICP-N70, MFD BY
ROHM CO., LTD. FOR IC353.
2/2
D
LKJ
MA MB

Other manuals for Pioneer VSA-E03

Related product manuals