EasyManua.ls Logo

Pioneer VSA-E03 - Video and SVIDEO Assembly Schematics

Pioneer VSA-E03
61 pages
Print Icon
To Next Page IconTo Next Page
To Next Page IconTo Next Page
To Previous Page IconTo Previous Page
To Previous Page IconTo Previous Page
Loading...
VSA-E03
20
A
B
C
D
1
23
4
1234
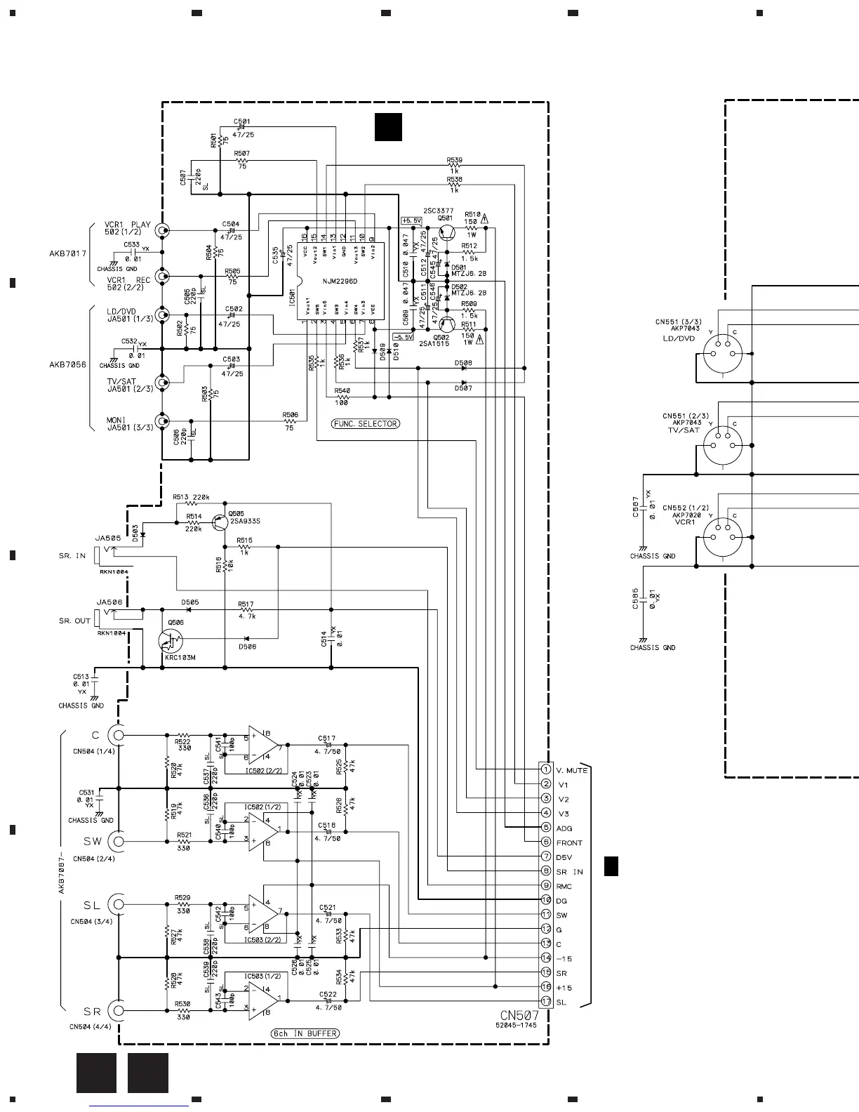
VIDEO ASSY
(AWX7441)
N
CN110
1/2
A
UPC4570C
UPC4570C
UPC4570C
UPC4570C
3.8 VIDEO, SVIDEO and FRONT VIDEO ASSYS
N O

Other manuals for Pioneer VSA-E03

Related product manuals