EasyManua.ls Logo

Pioneer VSA-E03 - Dolby Digital Assembly Schematics (1;3)

Pioneer VSA-E03
61 pages
Print Icon
To Next Page IconTo Next Page
To Next Page IconTo Next Page
To Previous Page IconTo Previous Page
To Previous Page IconTo Previous Page
Loading...
VSA-E03
22
A
B
C
D
1
23
4
1234
TC74ACT151AF
3/3
Q
CN108
1/2
A
: AUDIO SIGNAL ROUTE
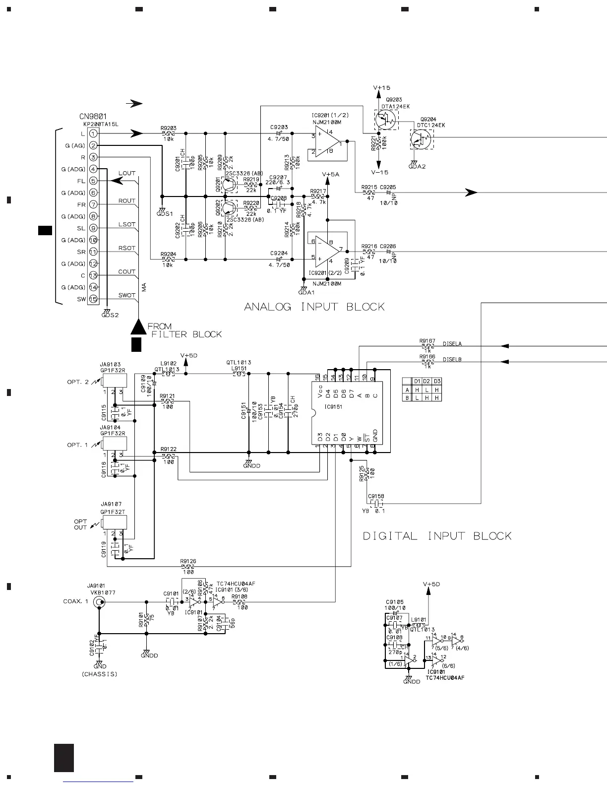
3.9 DOLBY DIGITAL ASSY (1/3)
1/3
Q

Other manuals for Pioneer VSA-E03

Related product manuals