EasyManua.ls Logo

Pioneer VSA-E03 - Page 23

Pioneer VSA-E03
61 pages
Print Icon
To Next Page IconTo Next Page
To Next Page IconTo Next Page
To Previous Page IconTo Previous Page
To Previous Page IconTo Previous Page
Loading...
VSA-E03
23
A
B
C
D
5
678
5
6
7
8
1/3
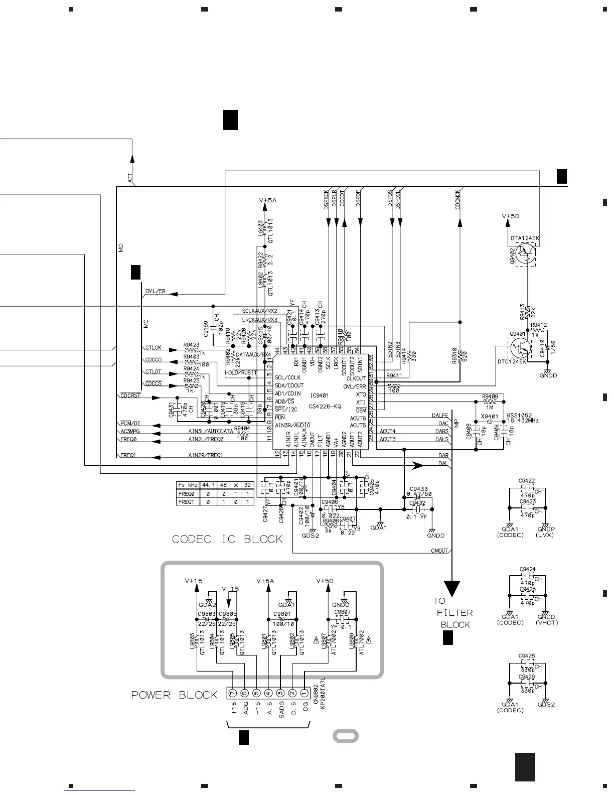
DOLBY DIGITAL ASSY(1/3)
(AWX7196)
Q
CN113
1/2
A
2/3
Q
2/3
Q
2/3
Q
INPUT & CODEC BLOCK
: The power supply is shown with the marked box.
1/3
Q

Other manuals for Pioneer VSA-E03

Related product manuals