EasyManua.ls Logo

Polyaire airtouch - 2. Configuration and Setup

Polyaire airtouch
68 pages
Print Icon
To Next Page IconTo Next Page
To Next Page IconTo Next Page
To Previous Page IconTo Previous Page
To Previous Page IconTo Previous Page
Loading...
6
1. Components contd.
1.8 Wireless temperature sensor
Wireless sensors are used for group
temperature and On/O control. Each group
can have up to two wireless temperature
sensors. The wireless sensors send measured
room temperature or On/O command back
to main module regularly. They are driven by
button type battery and have dipswitches for
their own identication.
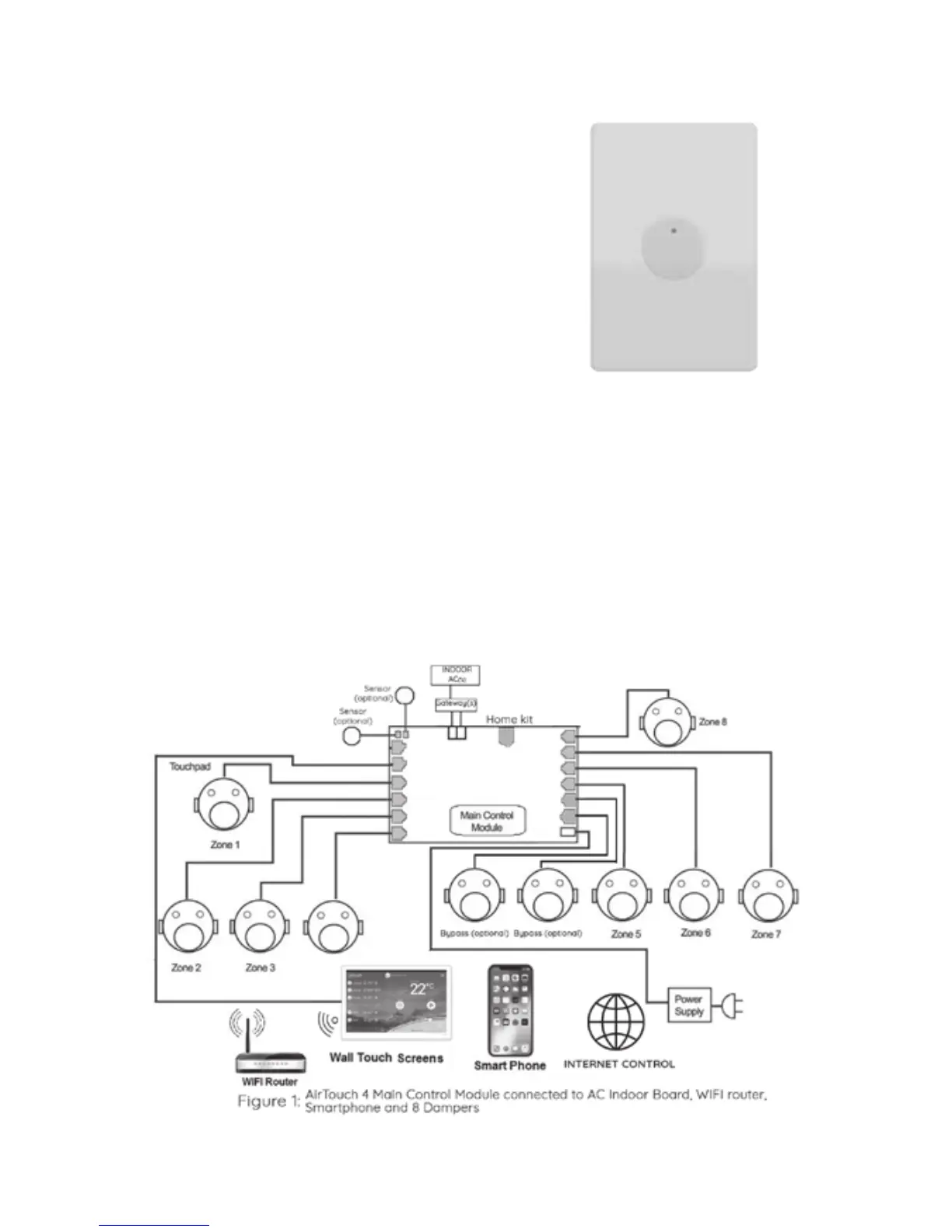
2. Conguration
AirTouch 4 System is a star architecture system that allows communications
between AirTouch 4 main control module, extension module, AC unit, WiFi router
(to connect to smart phones and internet), up to 16 zone dampers, wireless
temperature sensors and up to two consoles. Figure below shows the
connection of devices such as the WiFi router, AC indoor PCB, extension module,
two consoles, and eight dampers to the main module.
Components contd. & Configuration
Continued on next page.
Zone 4

Related product manuals