EasyManua.ls Logo

Potterton Paramount three 95 - Page 26

Potterton Paramount three 95
140 pages
Print Icon
To Next Page IconTo Next Page
To Next Page IconTo Next Page
To Previous Page IconTo Previous Page
To Previous Page IconTo Previous Page
Loading...
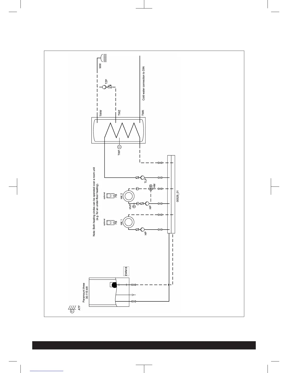
Fig. 6: Application example: One pump and one mixing heating circuit with storage temperature control, including storage temperature control
Prior to installation
26 Paramount three 30-115 kW 7308272-03 03.14

Table of Contents

Related product manuals