EasyManua.ls Logo

Prochem PERFORMER - WIRING DIAGRAM DETAILS

Prochem PERFORMER
133 pages
Print Icon
To Next Page IconTo Next Page
To Next Page IconTo Next Page
To Previous Page IconTo Previous Page
To Previous Page IconTo Previous Page
Loading...
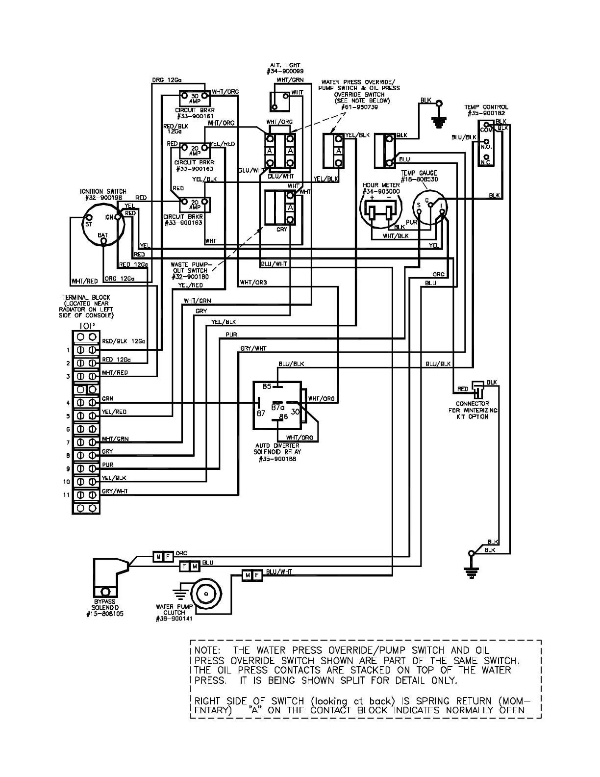
WIRING DIAGRAM
PERFORMER 980060 07/01/02
5-80

Table of Contents

Related product manuals