EasyManua.ls Logo

Prochem PERFORMER - VACUUM SYSTEM

Prochem PERFORMER
133 pages
Print Icon
To Next Page IconTo Next Page
To Next Page IconTo Next Page
To Previous Page IconTo Previous Page
To Previous Page IconTo Previous Page
Loading...
OPERATION
PERFORMER 980060 07/05/03
3-13
The stage three heat exchanger is an engine exhaust
chamber containing a stainless steel heating coil and
catalytic converter (optional). Water flows through
the coil and is heated by the engine exhaust as it
leaves the engine. The catalytic heat exchanger
uses a catalytic core.
The catalytic converter, combined with the injection of
air pumped into the exhaust manifold, re-burns the
exhaust waste gases. This results in super-heated
water flowing through the outlet manifold to the
cleaning tools.
The exhaust diverter valve is located on the engine
exhaust system. The automatic rotary solenoid
directs engine exhaust either to the heat exchanger
or muffler to automatically maintain the desired
temperature.
For flood extraction operations set temperature
control to 50°. This will direct all exhaust though
muffler and bypass heat exchanger
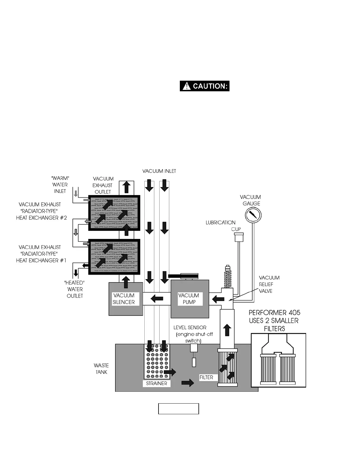
VACUUM SYSTEM
See Figure 15. Vacuum flow is initiated by the
vacuum pump, with air and water being drawn into
the vacuum inlet at the front of the console.
FIGURE 15

Table of Contents

Related product manuals