EasyManua.ls Logo

Prochem PERFORMER - Heli-Coil Heat Exchanger

Prochem PERFORMER
133 pages
Print Icon
To Next Page IconTo Next Page
To Next Page IconTo Next Page
To Previous Page IconTo Previous Page
To Previous Page IconTo Previous Page
Loading...
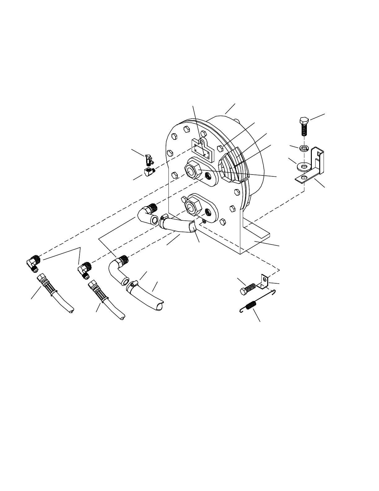
HELI-COIL HEAT EXCHANGER
PERFORMER 980060 07/01/02
5
-
27
1
2
3
4
5
6
7
8
9
10
11
12
13
14
15
16
17
18
19
20
21
22
23
24
25
3
FROM ENGINE
COOLANT OUTLET
ADAPTER
TO ENGINE COOLANT
MANIFOLD
FROM PRESSURE
REGULATOR MANIFOLD
TO ENGINE EXHAUST
HEAT EXCHANGER

Table of Contents

Related product manuals