EasyManua.ls Logo

Prochem PERFORMER - Page 23

Prochem PERFORMER
133 pages
Print Icon
To Next Page IconTo Next Page
To Next Page IconTo Next Page
To Previous Page IconTo Previous Page
To Previous Page IconTo Previous Page
Loading...
OPERATION
PERFORMER 980060 07/05/03
3-15
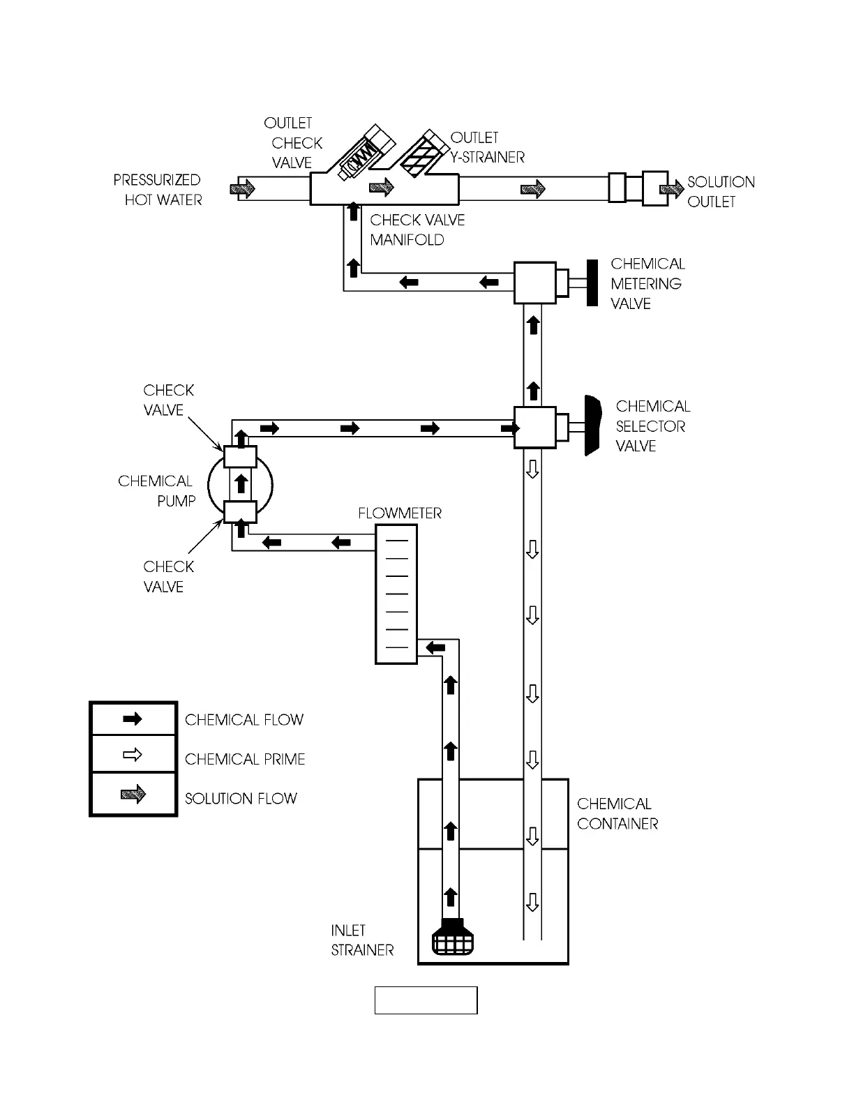
FIGURE 16

Table of Contents

Related product manuals