EasyManua.ls Logo

Prochem PERFORMER - Page 41

Prochem PERFORMER
133 pages
Print Icon
To Next Page IconTo Next Page
To Next Page IconTo Next Page
To Previous Page IconTo Previous Page
To Previous Page IconTo Previous Page
Loading...
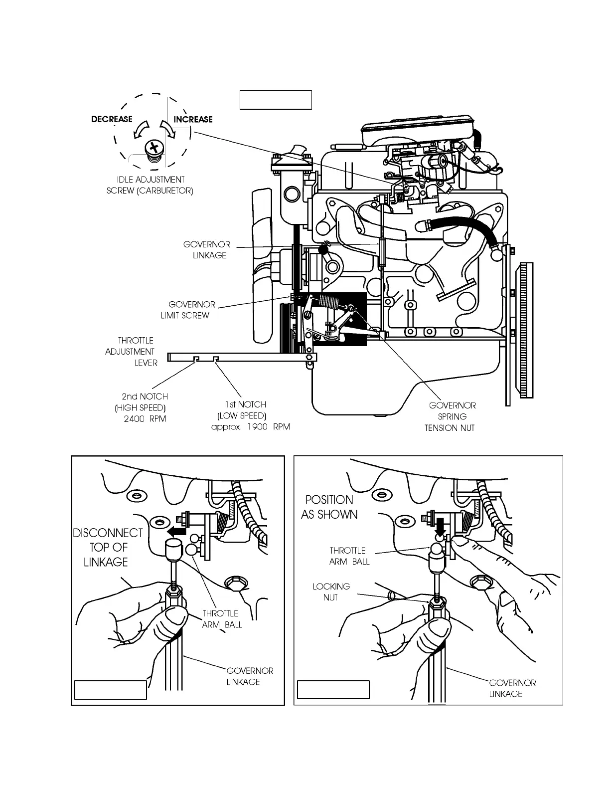
MAINTENANCE
PERFORMER 980060 07/01/02
4-10
FIGURE 21
FIGURE 22
FIGURE 23

Table of Contents

Related product manuals