EasyManua.ls Logo

Puls PD-20S - Page 72

Puls PD-20S
Print Icon
To Next Page IconTo Next Page
To Next Page IconTo Next Page
To Previous Page IconTo Previous Page
To Previous Page IconTo Previous Page
Loading...
68
ENT
ESC
S
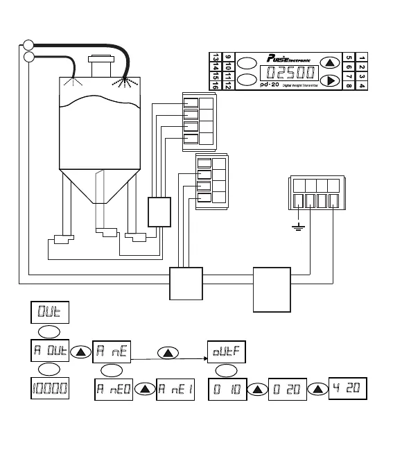
LOADCELL
LOADCELL
LOADCELL
J-BOX
PLC
24VDC
POWER
SUPPLY
M
M
+ +
- -

 
   

   
 

 
ENT
ENT
ENT
ENT
SILO WEIGHING PLC SYSTEM INTEGRATION WITH
ANALOG OUTPUT FILLING APPLICATION
13 14 15
16
1 2 3
4
5 6 7
8
Analog Output
Selecon
Set The Value
of The Max.
Analog Output