EasyManua.ls Logo

Puls PD-20S - Page 73

Puls PD-20S
Print Icon
To Next Page IconTo Next Page
To Next Page IconTo Next Page
To Previous Page IconTo Previous Page
To Previous Page IconTo Previous Page
Loading...
69
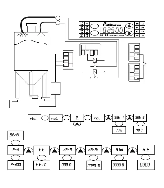
FILLING APPLICATION WITH TRANSISTOR OUTPUTS IN SILO WEIGHING
ENT
ESC
S
LOADCELL
LOADCELL
LOADCELL
J-BOX
M
M






.
.
.


.

.
.
.
.
 
ENT
ENT ENT ENT ENT ENT
ENT



 
.
 
.
ENT
ENT
ENT
ENT ENT
5 6 7
8
9 10 11 12
1 2 3 4 13 14 15 16
RÖLE 1
RÖLE 2
(-24 V)
START
BUTTON
(-24 V)
NOTE:
* Transistor Output Applicable Models
* The relay to be connected to the output transistor
24 VDC coil Max: You must be 500 mA.
* Transistor-2 Single Output with Filling Out the Intended
Weight Set-2 will be used, and set the parameter.
The Parameters To Be Entered For Filling
Start Delay
Time And
Rapid Filling
Setpoint
Slow Filling
Setpoint
Tank-Empty
Value is Entered