EasyManua.ls Logo

Puls PD-20S - Page 74

Puls PD-20S
Print Icon
To Next Page IconTo Next Page
To Next Page IconTo Next Page
To Previous Page IconTo Previous Page
To Previous Page IconTo Previous Page
Loading...
70
Use in Tension Control Applicaons
ENT
ENT ENT




..
Digital Filter
ENT
ENT ENT ENT
   
.
.
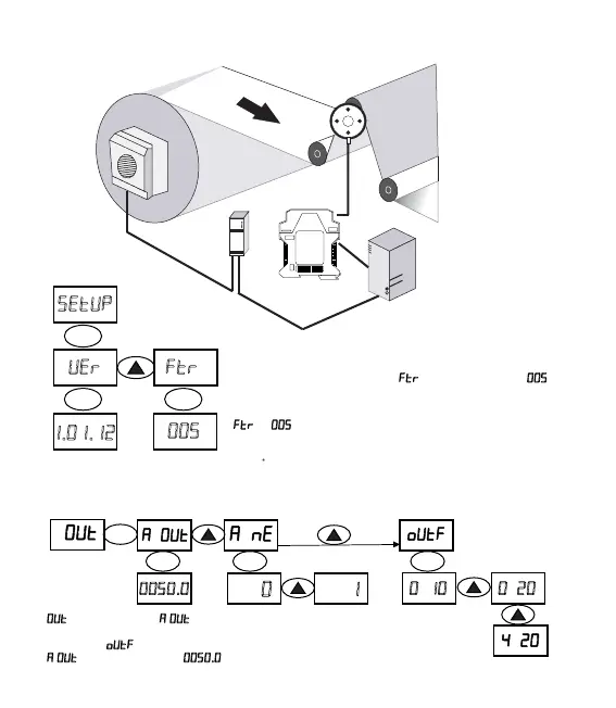
Below is given the usage of PD-20S Transmier in tension control
applicaons with an example of parameter sengs for analogue
output control. In setup menu, 
parameter must be  at all
me. In tension control systems, the faster the weight value is
obtained, the system response will become that quicker. Seng

to  degree provides faster reading of weight values.
Parametric sengs for 2pcs of 50kg RS type loadcell are exemplary
given.
 Menü: From the . parameter, the weight value that the Max. Analog
output is to be received shall be adjusted. Analog output selecon to be used is
made over  parameter. For two pieces 50 kg loadcell, under 50 kg load,
. parameter is set as . for 10V or 20mA output.
.
3- Transmier
2- Analogue Power Control
1- Magnec Brake
5- PLC
4- Loadcell
Max. Analogue
Output Set Value
Analogue
Output Select