EasyManua.ls Logo

Quantum QT-750 - 6-Way Table Control Board A1 (Ay40-002 T)

Quantum QT-750
64 pages
Print Icon
To Next Page IconTo Next Page
To Next Page IconTo Next Page
To Previous Page IconTo Previous Page
To Previous Page IconTo Previous Page
Loading...
Chapter 5 Diagrams
Models QT-740 & QT-750 Service Manual
55
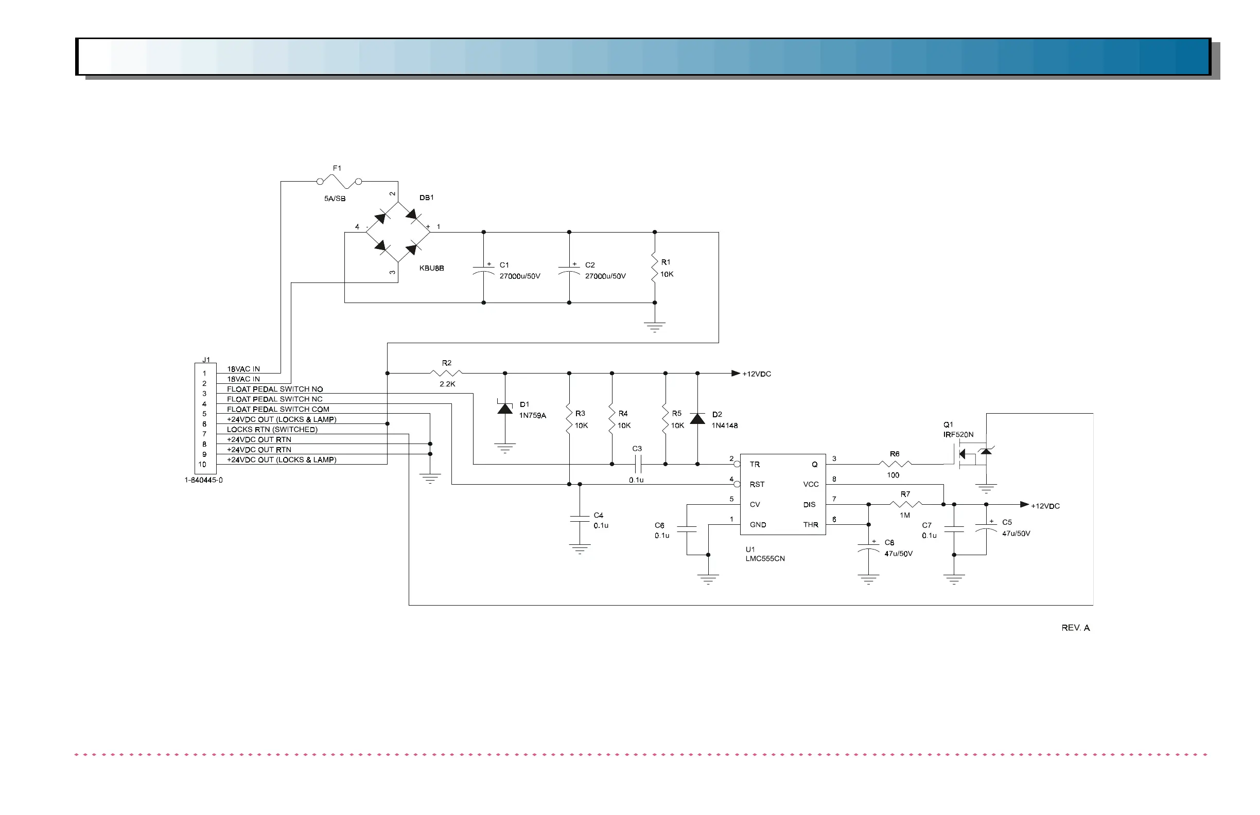
Figure 28. 4-Way Table Control Board A1 (AY40-017T)

Table of Contents

Other manuals for Quantum QT-750

Related product manuals