EasyManua.ls Logo

Quectel EC25-AUX - Evaluation Board

Quectel EC25-AUX
135 pages
Print Icon
To Next Page IconTo Next Page
To Next Page IconTo Next Page
To Previous Page IconTo Previous Page
To Previous Page IconTo Previous Page
Loading...
LTE Standard Module Series
EC25 Hardware Design
EC25_Hardware_Design 21 / 130
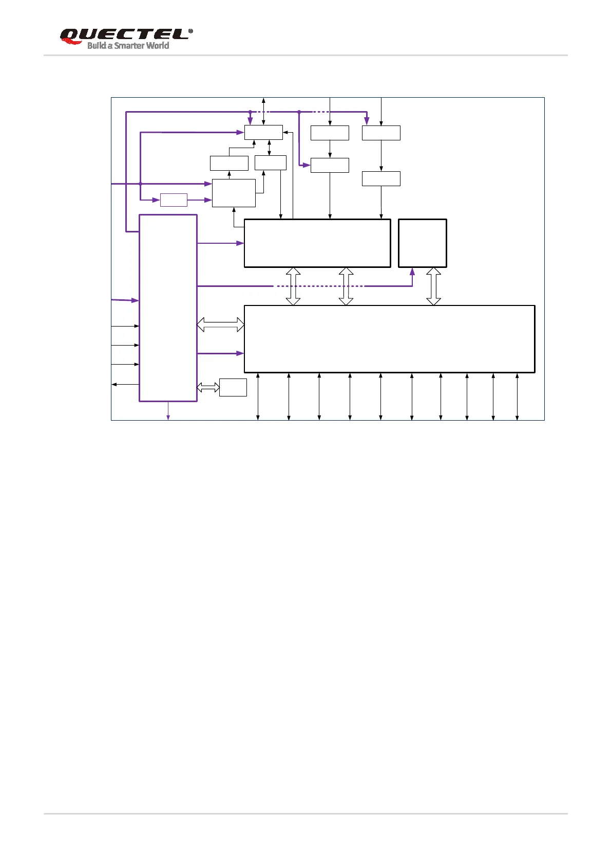
Baseband
PMIC
Transceiver
NAND
DDR2
SDRAM
PA
PAM
LNA
Switch
ANT_MAIN ANT_DIVANT_GNSS
VBAT_BB
VBAT_RF
APT
PWRKEY
ADCs
VDD_EXT
USB (U)SIM PCM UARTsI2C
RESET_N
19.2M
XO
STATUS
GPIOs
SAW
Control
IQ Control
Duplex
SAW
Tx
PRx DRx
WLAN SDBT
SGMII
SAW
Figure 1: Functional Diagram
2.4. Evaluation Board
In order to help customers develop applications with EC25, Quectel supplies an evaluation board
(UMTS&LTE EVB), USB to RS-232 converter cable, earphone, antenna and other peripherals to control
or test the module. For more details, please refer to document [8].

Table of Contents

Related product manuals