EasyManua.ls Logo

Quectel EC25-AUX - Recommended RF Connector for Antenna Installation

Quectel EC25-AUX
135 pages
Print Icon
To Next Page IconTo Next Page
To Next Page IconTo Next Page
To Previous Page IconTo Previous Page
To Previous Page IconTo Previous Page
Loading...
LTE Standard Module Series
EC25 Hardware Design
EC25_Hardware_Design 78 / 130
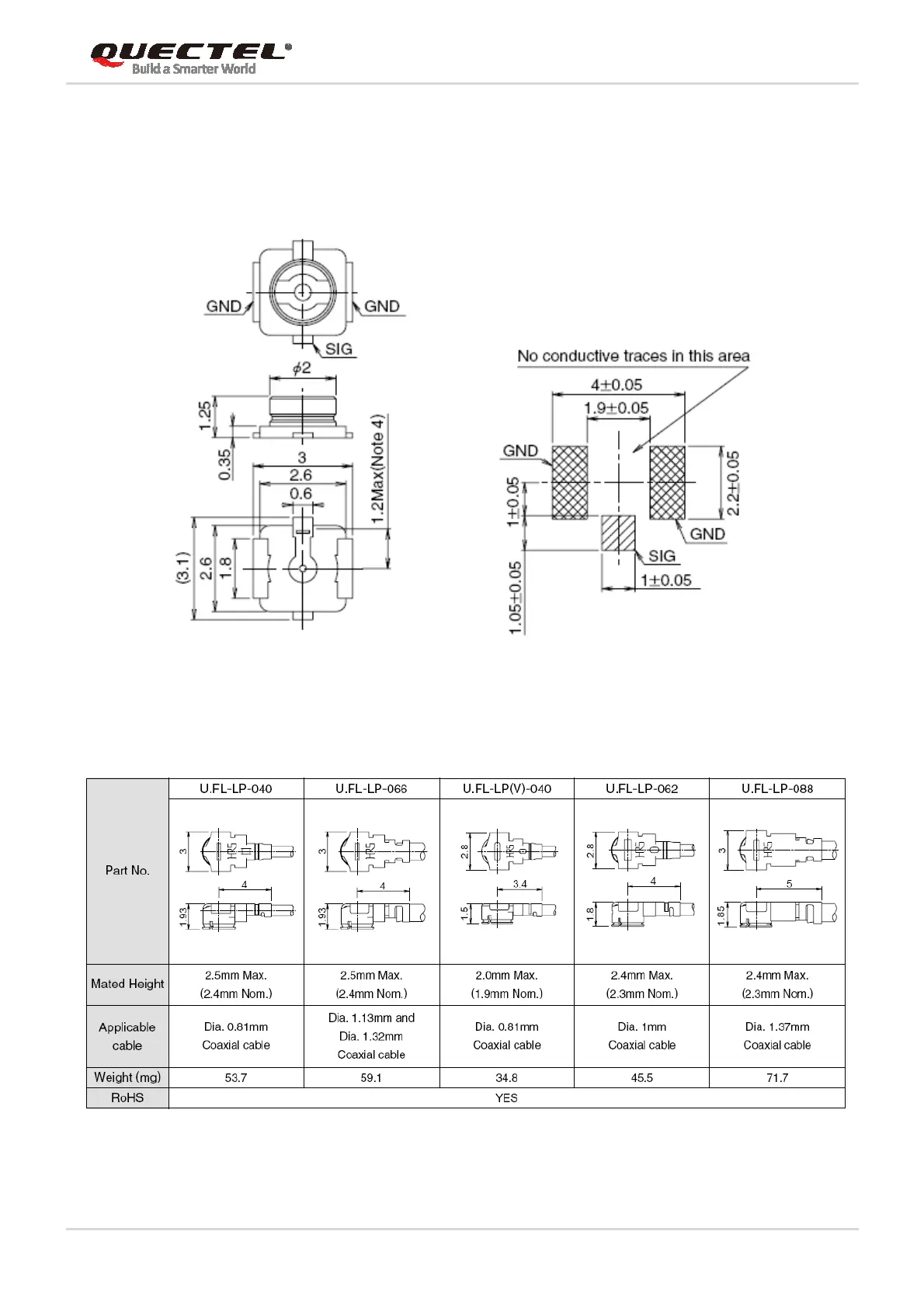
5.3.2. Recommended RF Connector for Antenna Installation
If RF connector is used for antenna connection, it is recommended to use U.FL-R-SMT connector
provided by Hirose.
Figure 39: Dimensions of the U.FL-R-SMT Connector (Unit: mm)
U.FL-LP serial connectors listed in the following figure can be used to match the U.FL-R-SMT.
Figure 40: Mechanicals of U.FL-LP Connectors

Table of Contents

Related product manuals