EasyManua.ls Logo

Quectel EC25-V - Reference Design for Power Supply

Quectel EC25-V
67 pages
Print Icon
To Next Page IconTo Next Page
To Next Page IconTo Next Page
To Previous Page IconTo Previous Page
To Previous Page IconTo Previous Page
Loading...
LTE Module Series
EC25-V User Manual
EC25-V_User_Manual Confidential / Released 27 /
69
Module
VBAT_RF
VBAT_BB
VBAT
C1
100uF
C6
100nF
C7
33pF
C8
10pF
+
+
C2
100nF
C5
100uF
C3
33pF
C4
10pF
D1
5.1V
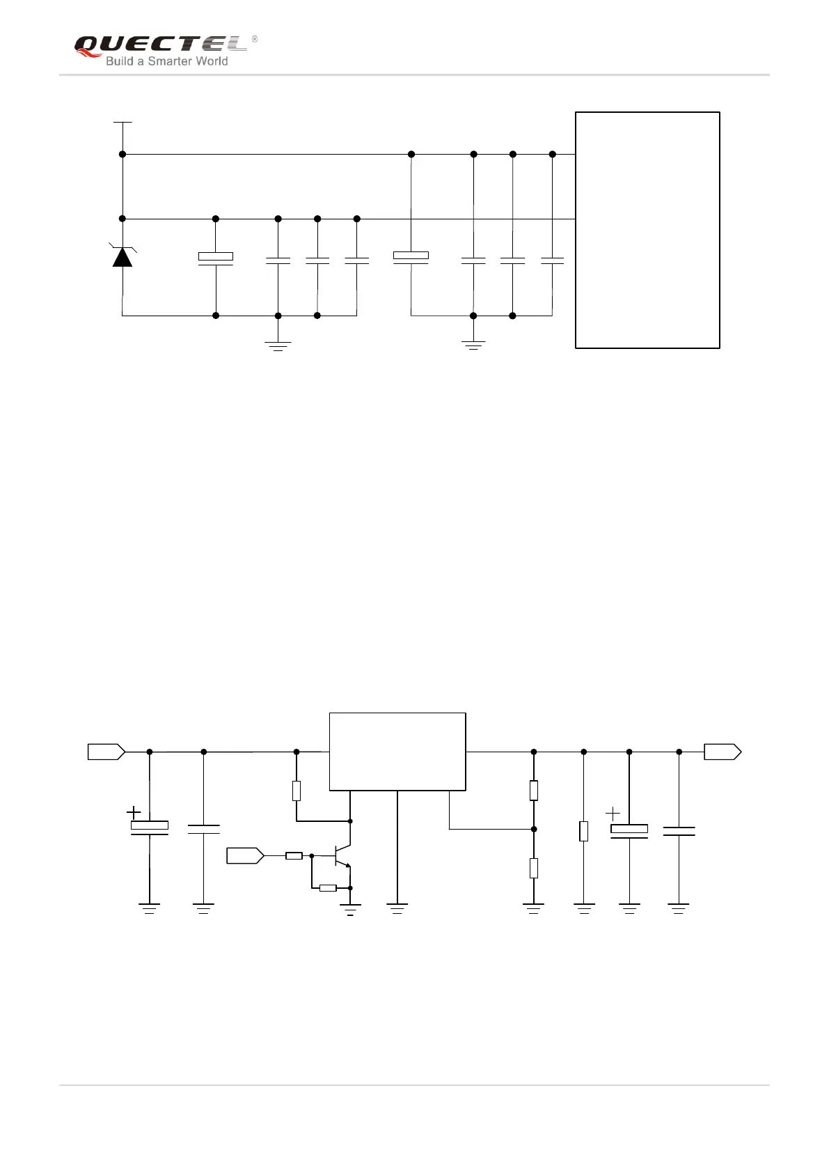
Figure 8: Star Structure of the Power Supply
3.6.3. Reference Design for Power Supply
The power design for the module is very important, as the performance of the module largely depends on
the power source. The power supply is capable of providing sufficient current up to 2A at least. If the
voltage drop between the input and output is not too high, it is suggested that you should use a LDO to
supply power for module. If there is a big voltage difference between the input source and the desired
output (VBAT), a buck converter is preferred to be used as a power supply.
The following figure shows a reference design for +5V input power source. The designed output for the
power supply is about 3.8V and the maximum load current is 3A.
DC_IN
MIC29302WU
IN OUT
EN
GND
ADJ
2 4
1
3
5
VBAT
100nF
470uF
100nF
100K
47K
470uF
470R
51K
1%
1%
4.7K
47K
VBAT_EN
Figure 9: Reference Circuit of Power Supply

Table of Contents

Related product manuals