EasyManua.ls Logo

Raymarine Evolution EV-1 - 12.1 SeaTalkng pilot controller connection

Raymarine Evolution EV-1
150 pages
Go to English
To Next Page IconTo Next Page
To Next Page IconTo Next Page
To Previous Page IconTo Previous Page
To Previous Page IconTo Previous Page
Loading...
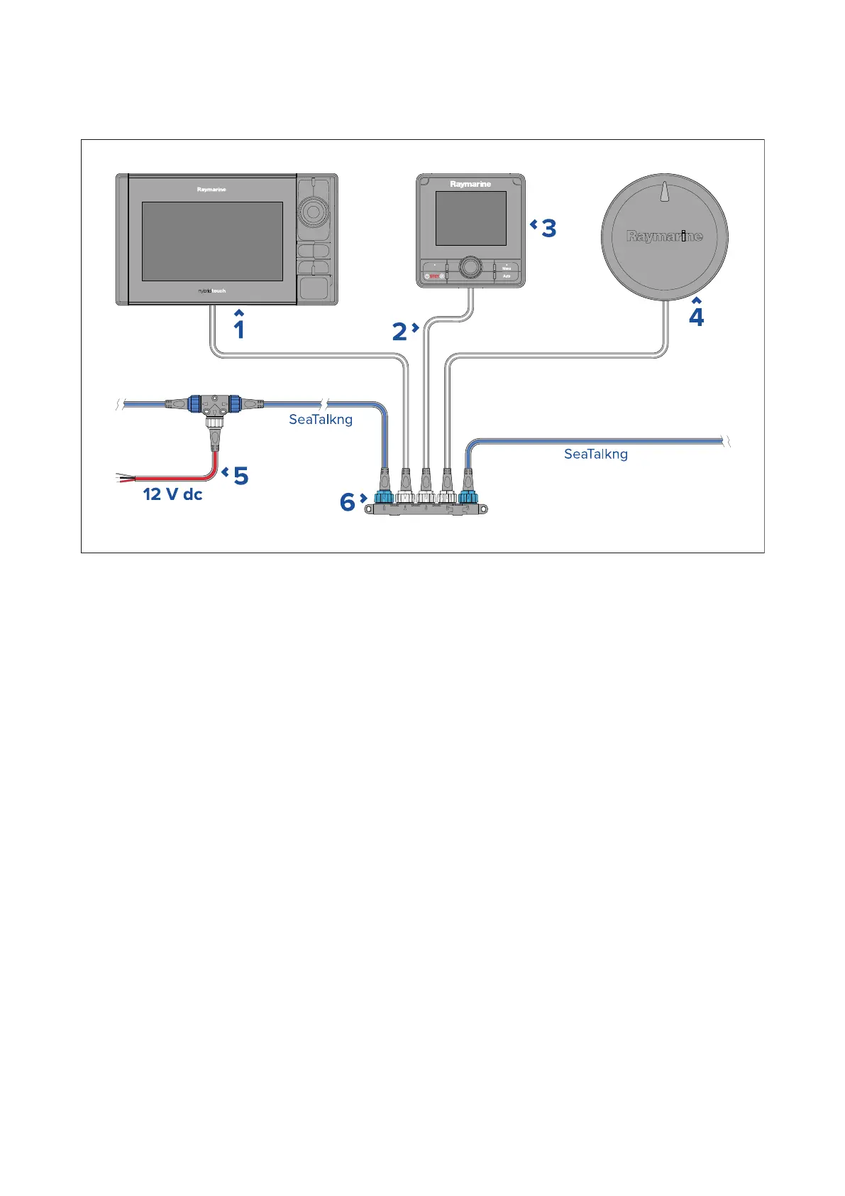
12.1 SeaTalkng pilot controller connection
SeaTalkng ®パイロットコントローラは、EVオートパイロットと同じSeaTalkng ®バック
ボーンに直接接続されます。
1.SeaTalkng ®MFD(MFDsrequireaseparatepowersupply.)
2.SeaTalkng®spurcable
3.SeaTalkng®pilotcontroller(poweredfromtheSea Talkng®backbone.)
4.SeaTalkng®autopilot
5.SeaTalkng®12Vdcpowersupplyconnection
6.SeaTalkng®5-wayblock
104

Table of Contents

Other manuals for Raymarine Evolution EV-1

Related product manuals