EasyManua.ls Logo

Record STM 21 - Wiring Diagram Control Module STM 20

Default Icon
36 pages
Print Icon
To Next Page IconTo Next Page
To Next Page IconTo Next Page
To Previous Page IconTo Previous Page
To Previous Page IconTo Previous Page
Loading...
Control module STM 20 2
B6_Control_SYS20_EN_V1.3.doc Art. Nr. 102-020401135 10 / 36
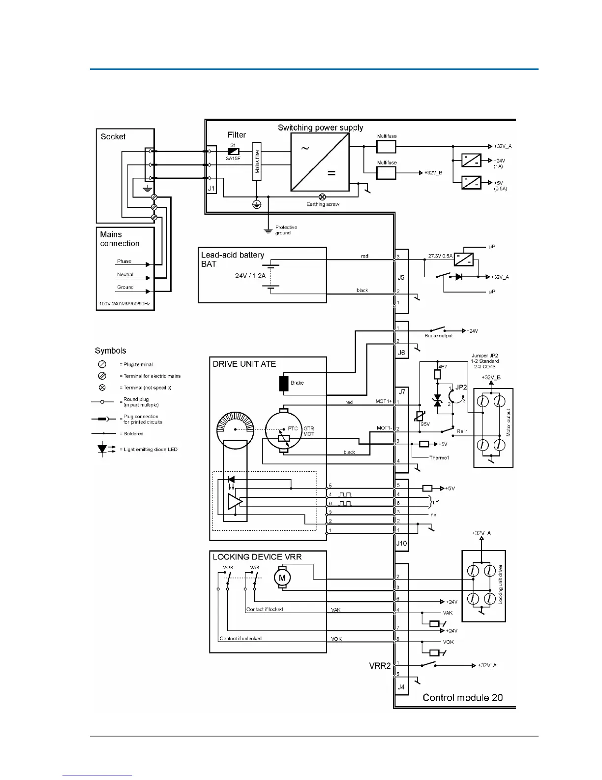
2.3. Wiring diagram control module STM 20
102-020109935

Related product manuals