EasyManua.ls Logo

Redexim Verti-Drain 1513 - Timing and Tightening Torque

Redexim Verti-Drain 1513
26 pages
Print Icon
To Next Page IconTo Next Page
To Next Page IconTo Next Page
To Previous Page IconTo Previous Page
To Previous Page IconTo Previous Page
Loading...
22
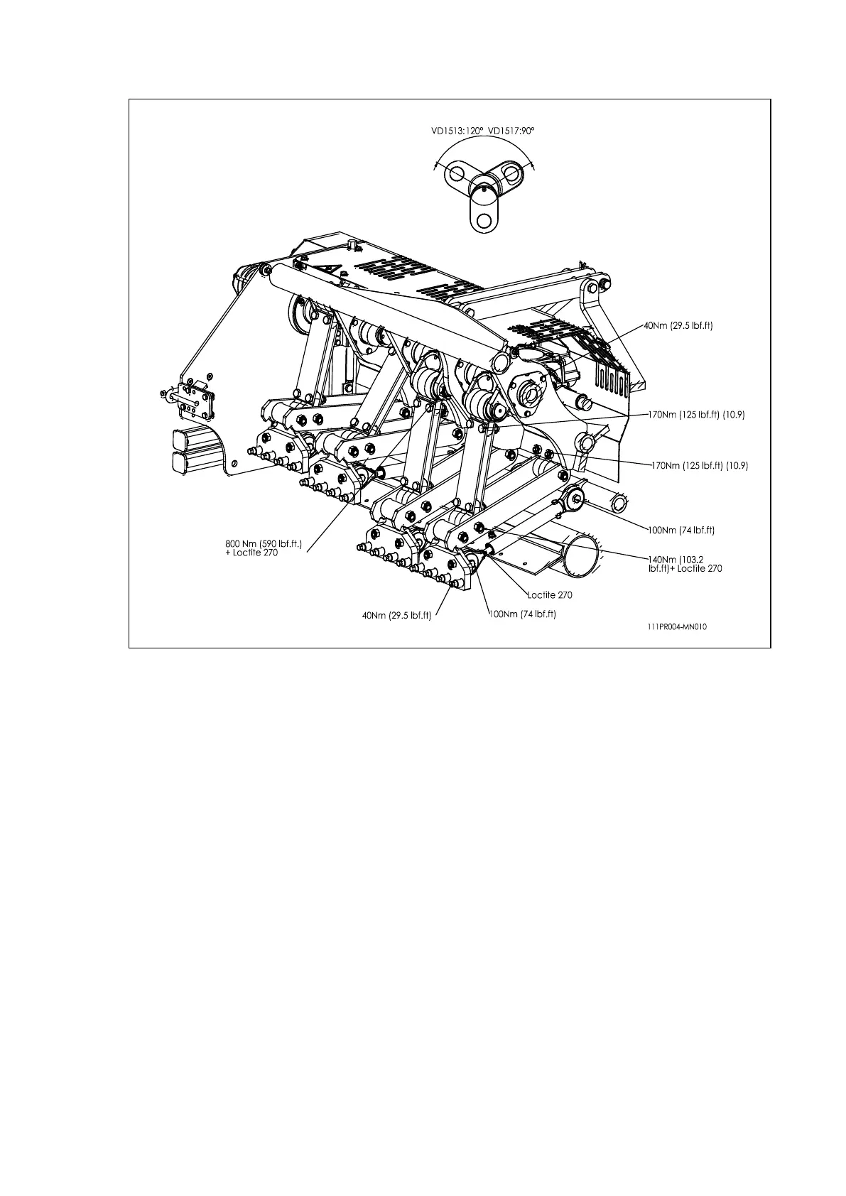
14.4 TIMING AND TIGHTENING TORQUE
Fig. 14
In fig. 14, the tightening torque of the most important bolts/nuts are displayed. Assure
yourself that the bolts and nuts, for which these settings are not displayed, are tightened
exactly the same as similar bolts and nuts. When bolts and nuts become loose, you may use
Loctite to tighten them again.
The timing of the crankshaft is determined by the mutual angle of 120°(VD1513)
90°(VD1517) (see fig. 14). Because the timing of the machine is symmetrical, only four
different cranks are used. The centre crank divides the machine in two halves as it were, in
which each of the two halves has its own type of cranking element. The crankshaft at the
end has the same end crank. See page six of the parts book to mount the crankshaft in the
correct manner. This way, the timing of the crankshaft will always be correct.

Related product manuals