EasyManua.ls Logo

Reece Series S2 - Page 55

Default Icon
125 pages
Print Icon
To Next Page IconTo Next Page
To Next Page IconTo Next Page
To Previous Page IconTo Previous Page
To Previous Page IconTo Previous Page
Loading...
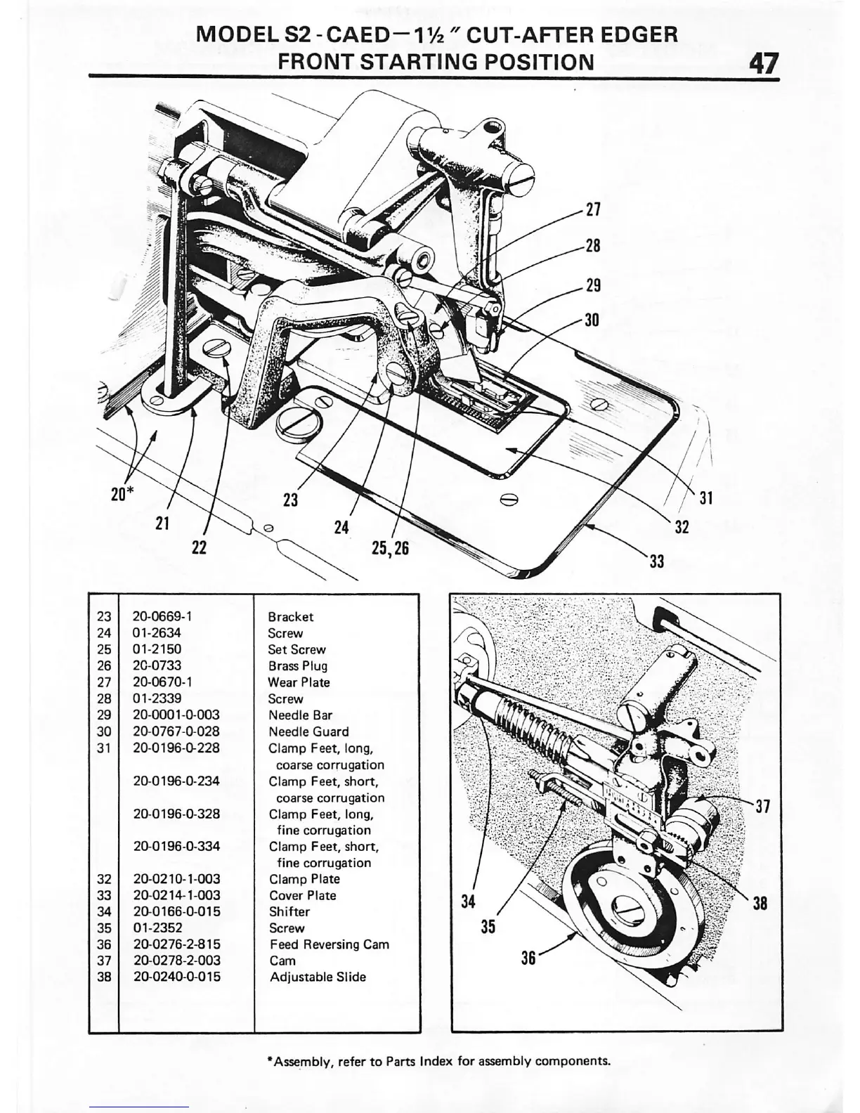
MODEL
S2
-CAED-1
"
CUT-AFTER
EDGER
FRONT
STARTING
POSITION
20-0669-1
01-2634
01-2150
20-0733
20-0670-1
01-2339
20-0001-0-003
20-0767-0-028
20-0196-0-228
20-0196-0-234
20-0196-0-328
20-0196-0-334
20-0210-1-003
20-0214-1-003
20-0166-0-015
01-2352
20-0276-2-815
20-0278-2-003
20-0240-0-015
Bracket
Screw
Set
Screw
Brass
Plug
Wear
Plate
Screw
Needle
Bar
Needle
Guard
Clamp
Feet,
long,
coarse
corrugation
Clamp
Feet,
short,
coarse
corrugation
Clamp
Feet,
long,
fine
corrugation
Clamp
Feet,
short,
fine
corrugation
Clamp
Plate
Cover
Plate
Shifter
Screw
Feed
Reversing
Cam
Cam
Adjustable
Slide
•Assembly, refer
to
Parts
Index for assembly
components.
From the library of: Superior Sewing Machine & Supply LLC