EasyManua.ls Logo

Reece Series S2 - Solenoid Starting - Wiring Diagrams

Default Icon
125 pages
Print Icon
To Next Page IconTo Next Page
To Next Page IconTo Next Page
To Previous Page IconTo Previous Page
To Previous Page IconTo Previous Page
Loading...
4
W
BK
BK
W
<•
BK
W
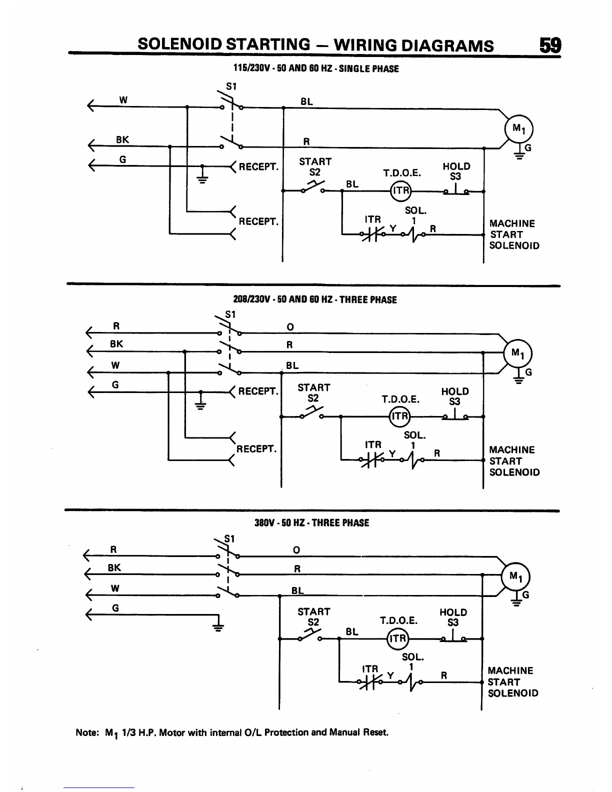
SOLENOID
STARTING
-
WIRING
DIAGRAMS
59
11S/230V
SO
AND
60 HZ-SINGLE
PHASE
-J-
<
RECEPT.
RECEPT.
BL
T.D.O.E.
BL
(fi^i
a-La.
SOL.
ITR 1
208/230V 50 AND 60 HZ THREE PHASE
-j-—<
RECEPT.
<
RECEPT.
BL
START
S2
HOLD
T.D.O.E. S3
SOL.
ITR
1
380V-50
HZ
THREE
PHASE
^1^
1
BL
START
HOLD
S2 T.D.O.E. S3
riTRi
SOL.
ITR
Y 1
MACHINE
START
SOLENOID
MACHINE
START
SOLENOID
MACHINE
START
SOLENOID
Note:
M^
1/3
H.P.
Motor
with
Internal
0/L
Protection
and
Manual
Reset.
From the library of: Superior Sewing Machine & Supply LLC