EasyManua.ls Logo

Renesas RH850/U2A 144pin

Renesas RH850/U2A 144pin
56 pages
To Next Page IconTo Next Page
To Next Page IconTo Next Page
To Previous Page IconTo Previous Page
To Previous Page IconTo Previous Page
Loading...
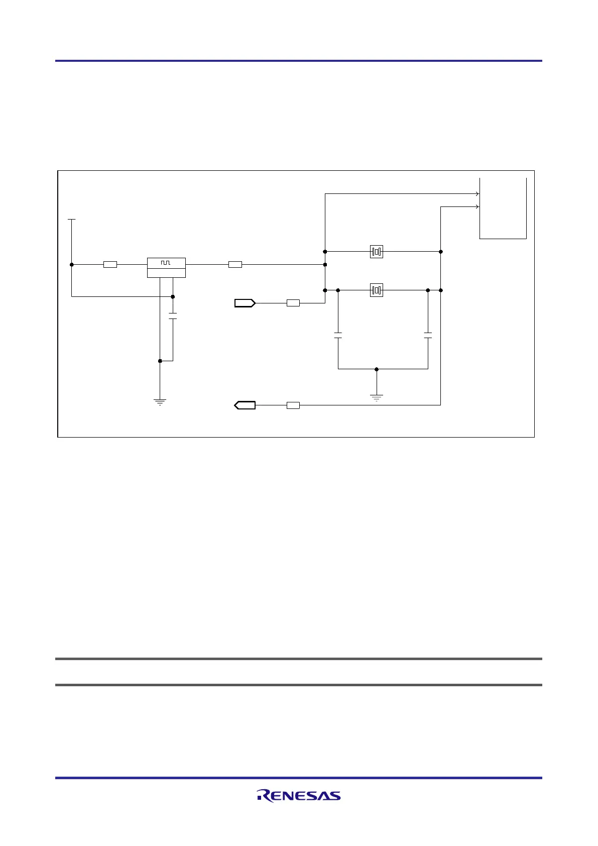
RH850/U2A 144pin 4. Clock Supply
R20UT5089ED0101 Rev.1.01 Page 13 of 56
July 08, 2022
4. Clock Supply
The device's operation clock can be generated by
the on-chip main oscillator circuit in combination with an off-chip resonator, connected to the X1, X2 terminals
an off-chip oscillator, the clock is fed into the X1 terminal
4.1 Main Oscillator
For operating the on-chip main oscillator the piggyback board provides a socket (X1) for a
resonator.
Optionally a resonator (X3) can be soldered on the board, refer to the figure above.
Several resonators for various main oscillator frequencies (16 MHz, 20 MHz, 24 MHz,
40 MHz) are included in the board package.
The 40MHz resonator is by default mounted to X1.
For package content please refer to
1.1 Package Components
CAUTION
Only one oscillator, either X1 or X3, can be used at any one time for the main oscillator.
4.2 Programmable Oscillator
Instead of using the on-chip main oscillator a programmable crystal oscillator (OSC1) circuit
can be soldered on the board.
16 MHz provide additional
20 MHz provide additional
24 MHz provide additional
SG8018CE-20.000000MHz
DNF/DNB
40.000 MHz + socket
16MHz
DNF/DNB
22p
u2a_144_enplas
DNF/DNB
1K0
DNF/DNB
P3V3
3.3V
8pF
100n
0
DNF/DNB
0
0
DNF/DNB
DNF/DNB
22p
18pF
R1
C16
OSC1
R4
R2
R3
X1
C97
C98
X3
IC1
X1
X2_C
X2
X1_C
3
2
1
4
101
99
X1
X2
OE
VCCGND
CLK
OUT
IN
oscillator IC at the same time
CAUTION!
Don't use crystal and
Oscillator IC
Figure
4.1 Clock supply

Table of Contents