EasyManua.ls Logo

Riello AARIA START - Cooling Circuit

Riello AARIA START
28 pages
Print Icon
To Next Page IconTo Next Page
To Next Page IconTo Next Page
To Previous Page IconTo Previous Page
To Previous Page IconTo Previous Page
Loading...
GENERAL INFORMATION
10
1.9
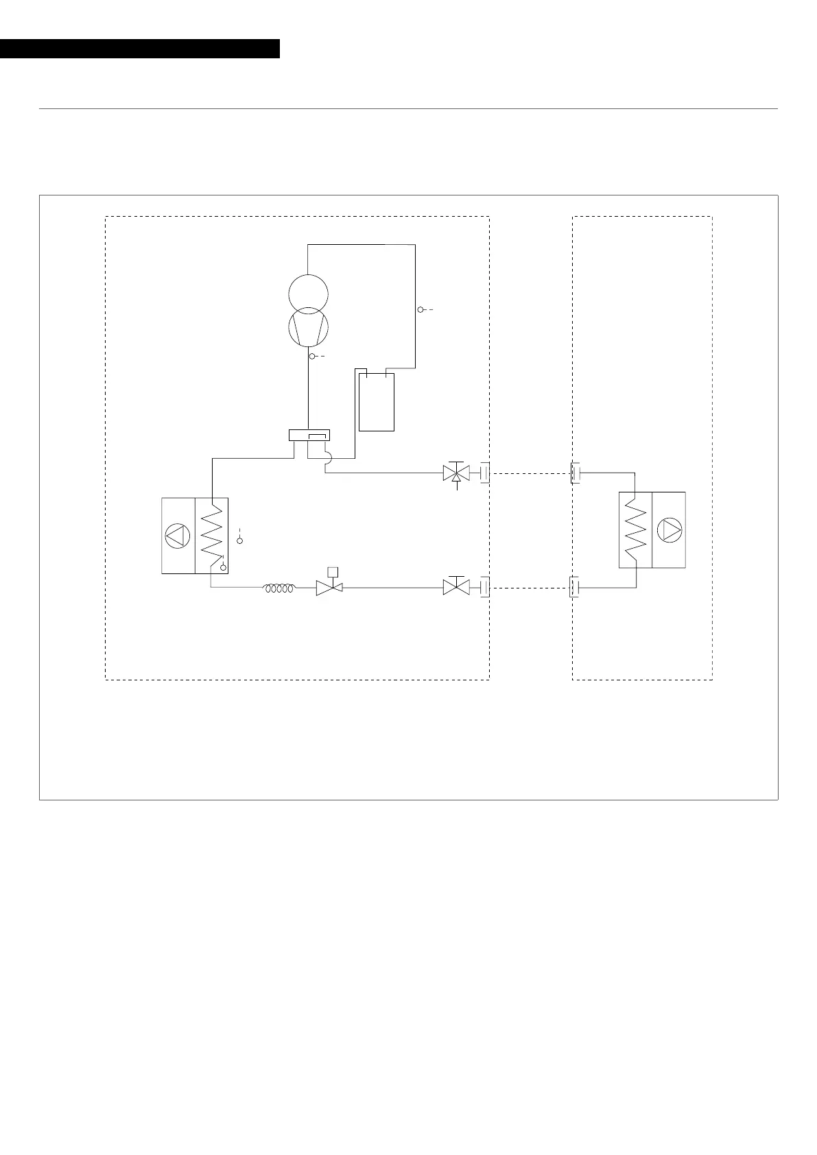
Cooling circuit
The cooling circuit is of the heat pump type with a refrigerant gas
reversal cycle. The source fluid utilised is the outdoor air, while
the utility-side fluid is the air inside the rooms.
During the wintertime, the heat pump extracts the thermal en-
ergy from the outdoor air and delivers it to the room air, thereby
heating it. During the summertime the cycle is reversed, and the
thermal energy is extracted from the room air, which is cooled,
and is delivered to the outdoor air.
A Outdoor unit
B Indoor unit
1 Compressor
2 Discharge temperature sensor
3 Cycle reversal valve
4 Electric fan
5 Heat exchanger
6 External air probe
7 Defrost temperature sensor
8 Capillary tube
9 Electronic expansion valve (exclud-
ing AARIA START 25)
10 Two-way shut-off valve
11 Connection pipes
12 Three-way shut-off valve
13 Intake separator
14 Intake sensor
AB
1
2
3
6
7
8
13
14
12
11
10
9
45

Related product manuals