EasyManua.ls Logo

Riello AARIA START - Wiring Diagram

Riello AARIA START
28 pages
Print Icon
To Next Page IconTo Next Page
To Next Page IconTo Next Page
To Previous Page IconTo Previous Page
To Previous Page IconTo Previous Page
Loading...
INSTALLATION
19
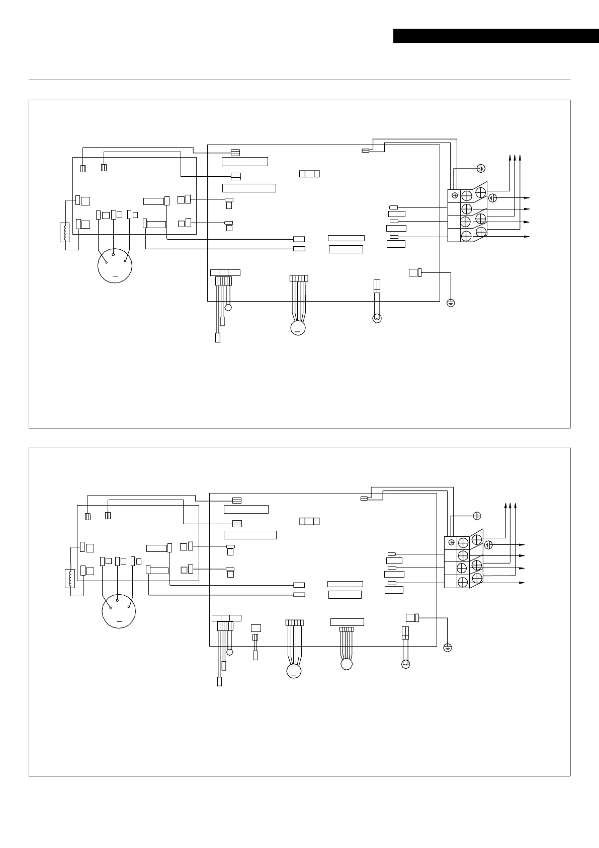
2.11
Wiring diagram
MODEL 25
1(N) 3(C)2(L)
GR
GR
MODULE BOARD
MAIN PCB BOARD
BLOCK
RW
B
C(W)
S(V)
R(U)
COMPRESSOR
M
BL
OR
P
U
VW
W
B
AC-N
AC-L
REACTOR
L0
LI
CN2
CN3
CN9
CN8
CN6
CN7
CN1
BL
B
BL
B
CN10
CN11
MODULE PO WER
MODULE COM
CN23
CN24
FUSE1
AC-L
AC-N
CN2
CN1
R
W
B
COM
CN5
TERMINAL
PE
CN3
M
CN22
4-WAY VALVE
CN11
AC-L OUT
CN10
CN9AC-N OUT
G
Condenser
CN4
DC FAN
CN26
N
CN27P
N
CN5
Y/G
TO INDOOR UNIT
Y/G
G
250V/25A
YEL
YEL
SOCKET PROTECT
CN45
G
Y/G
Compressor sensor
CS
TC
Defrosting sensor
Outdoor air sensor
HW
Power supply
230V-1F-50Hz
CN17
MODEL 35
1(N) 3(C)2(L)
GR
GR
MODULE BOARD
MAIN PCB BOARD
BLOCK
RW
B
C(W)
S(V)
R(U)
COMPRESSOR
M
BL
OR
P
UVW
W
B
AC-N
AC-L
REACTOR
L0
LI
CN2CN3
CN9
CN8
CN6
CN7
CN1
BL
B
BL
B
CN10
CN11
MODULE POWER
MODULE COM
CN23
CN24
FUSE1
AC-L
AC-N
CN2
CN1
R
W
B
COM
CN5
TERMINAL
PE
CN3
M
CN22
4-WAY VALVE
CN11
AC-L OUT
CN10
CN9 AC-N OUT
G
Condenser
CN4
DC FAN
CN26
N
CN27
P
N
CN5
Y/G
TO INDOOR UNIT
Y/G
G
250V/25A
YEL
YEL
SOCKET PROTECT
CN45
G
Y/G
Compressor sensor
CS
TC
Defrosting sensor
Outdoor air sensor
HW
Power supply
230V-1F-50Hz
CN47
XQ
SUCTION
TEMP.SENSOR
E-VALVE
CN15
A
ELEC TRIC
EXPANSION VALVE
CN17

Related product manuals