EasyManua.ls Logo

Riello RL 28 - Page 27

Riello RL 28
52 pages
Print Icon
To Next Page IconTo Next Page
To Next Page IconTo Next Page
To Previous Page IconTo Previous Page
To Previous Page IconTo Previous Page
Loading...
9
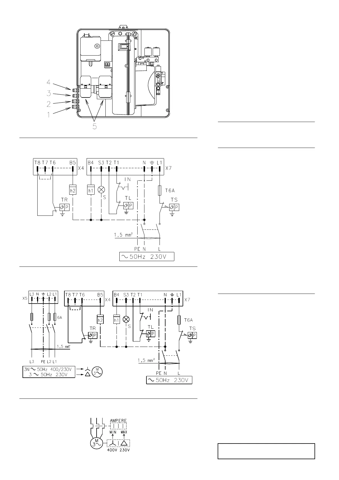
CONEXIONADO ELÉCTRICO (A)
a efectuar por el Instalador
Utilizar cables flexibles según norma EN 60
335-1:
si revestidos de PVC, usar al menos H05 VV-F
si revestidos de goma, usar al menos H05 RR-
F.
Todos los cables que vayan conectados a los
conectores macho 5)(A) del quemador, deben
canalizarse a través de los pasacables que se
suministran y que deben introducirse por los
agujeros correspondientes de la placa, de la
placa, preferentemente de la izquierda, después
de haber recortado la membrana que cubre los
orificios.
1- Pg 11 alimentación trifásica
2- Pg 11 alimentación monofásica
3- Pg 9 termostato TL
4- Pg 9 termostato TR
5- Conector macho/hembra
ESQUEMA (B)
Conexionado eléctrico RL 28 - RL 38
Alimentación monofásica
Sección de bable no indicada: 1,5 mm
2
ESQUEMA (C)
Conexionado eléctrico RL 38 - RL 50
Alimentación trifásica 230/400 V con Neutro
Sección de bable no indicada: 1,5 mm
2
Leyenda esquemas (B) - (C)
h1 - Cuentahoras de 1° llama
h2 - Cuentahoras de 2° llama
IN - Interruptor paro manual quemador
X4 - Conector macho de 4 contactos
X5 - Conector macho de 5 contactos
X7 - Conector macho de 7 contactos
S - Señalización de bloqueo a distancia
TL - Termostato de regulación máxima: pro-
voca el paro del quemador cuando la tem-
peratura en caldera supera el valor
preestablecido.
TR - Termostato de regulación: manda la 1ª y
2ª llama de funcionamiento. Sólo es nece-
sario en el funcionamiento a dos llamas.
TS - Termostato de seguridad: actúa en caso
de avería TL.
Atención: el quemador sale de fábrica prepa-
rado para el funcionamiento billama y debe, por
tanto, conectarse el termostato TR que manda
la electroválvula V2 del gasóleo.
En cambio, si se desea que funcione a mono-
llama, sustituir el termostato TR por un puente
entre los bornes T6 y T8 de los conector X4.
ESQUEMA (D)
Regulación del relé térmico 17)(A)p.3
Sirve para evitar que se queme el motor por un
fuerte aumento de consumo debido a la ausen-
cia de una fase.
Si el motor es alimentado en estrella, 400 V, el
cursor debe situarse en “MIN”.
Si el motor es alimentado en triángulo, 230 V,
el cursor debe situarse en “MAX”.
Si la escala del relé rmico no comprende el
consumo nominal indicado del motor a 400 V, la
protección está igualmente asegurada.
NOTE
• Los quemadores RL 38 trifásico y RL 50 salen
de fábrica preparados para una alimentación
eléctrica a 400 V. Si la alimentación es a 230 V,
cambiar el conexionado del motor (de estrella a
triángulo) y la regulación del relé térmico.
• Los quemadores RL 28-38-50 han sido homo-
logados para funcionar de modo intermitente.
Ello significa que deben pararse “por Norma” al
menos una vez cada 24 horas para permitir que
la caja de control efectúe una verificación de la
eficacia al arranque. Normalmente, el paro del
quemador está asegurado por el termostato de
la caldera.
Si no fuese así, debería colocarse en serie con
el interruptor IN, un interruptor horario que
parase el quemador al menos una vez cada 24
horas.
ATENCIÓN: No invertir neutro con fase en
la línea de alimentación eléctrica.
(A)
(B)
(D)
CONEXIONADO ELÉCTRICO
RL 38 - RL 50 trifásico REGULACIÓN DEL RELÉ TÉRMICO
RL 28 - RL 38 monofásico
(C)
CONEXIONADO ELÉCTRICO
RL 38 trifásico - RL 50
D3277
D3232
D3228
D867
CONEXIONADO ELÉCTRICO

Table of Contents

Related product manuals