EasyManua.ls Logo

Riello RL 28 - Page 43

Riello RL 28
52 pages
Print Icon
To Next Page IconTo Next Page
To Next Page IconTo Next Page
To Previous Page IconTo Previous Page
To Previous Page IconTo Previous Page
Loading...
9
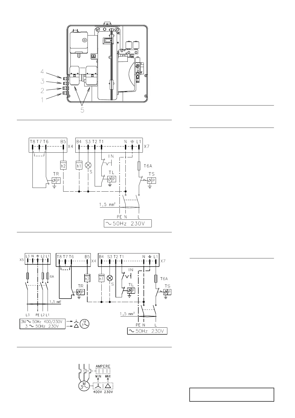
LIGAÇÃO ELÉCTRICA (A)
a efectuar pelo Instalador
Usar cabos flexíveis conforme a norma EN 60
335-1:
se revestidos de PVC, utilizar no mínimo H05
VV-F
se revestidos de borracha, utilizar pelo menos
H05 RR-F.
Todos os cabos que forem ligados às fichas
5)(A) do queimador, devem ser instalados atra-
vés dos passacabos que são fornecidos
devendo estes, serem introduzidos pelos orifí-
cios correspondentes da placa, preferivelmente
de esquerda, depois de ter-se retirado o subtil
diafragma que os encerra.
1- Pg 11 alimentação trifásica
2- Pg 11 alimentação monofásica
3- Pg 9 termostato TL
4- Pg 9 termostato TR
5- Ficha/Tomada
ESQUEMA (B)
Ligação eléctrica RL 28-RL 38
Alimentação monofásica
Seão cabos não indicada é de 1,5 mm
2
ESQUEMA (C)
Ligação eléctrica RL 38-RL 50
Alimentação trifásica 230/400 V com Neutro
Seão cabos não indicada é de 1,5 mm
2
Leyenda esquemas (B) - (C)
h1 - Contador de horas na 1a chama
h2 - Contador de horas na 2a chama
IN - Interruptor de paragem manual queimador
X4 - Ficha de 4 pólos
X5 - Ficha de 5 pólos
X7 - Ficha de 7 pólos
S - Sinalização de bloqueio à distância
TL - Termostato de regulação máxima: pro-
voca a paragem do queimador quando a
temperatura na caldeira ultrapassa o valor
preestabelecido.
TR - Termostato de regulação: comanda a e
a chama de funcionamento. é
necessário para funcionamento a duas
chamas.
TS - Termostato de segurança: actua em caso
de avaria do termostato TL.
Atenção:
o queimador sai de brica preparado
para funcionar a duas chamas e deve, por-
tanto, ligar-se o termostato TR que comanda a
electroválvula V2 do gasóleo.
Caso contrário, se deseja que funcione a uma
chama, substituir o termostato TR por uma
ponte entre os bornes T6 e T8 da ficha X4.
ESQUEMA (D)
Regulação do relé térmico 17)(A)p.3
Serve para evitar que o motor se queime por um
forte aumento de consumo devido à ausência
de uma fase.
Se o motor é alimentado em estrela,
400 V
, o
cursor deve ser colocado em "MIN".
Se o motor é alimentado em triângulo,
230 V
,
o cursor deve ser colocado em "MAX".
Se a escala do relé térmico o compreende o
consumo nominal indicado pelo motor a 400 V,
a protecção está igualmente assegurada.
NOTE
• Os queimadores RL 28-38-50 saem de fábrica
preparados para uma corrente eléctrica a
400
V
. Se a corrente for a
230 V
, mudar a ligação do
motor (de estrela a triângulo) e a regulação do
relé térmico.
Os queimadores RL 28-38-50 foram homolo-
gados para funcionar de modo intermitente. Isto
significa que devem parar “por Norma pelo
menos uma vez cada 24 horas para permitir
que a caixa de controlo faça uma verificação da
eficácia ao arranque. Normalmente, a paragem
do queimador esassegurada pelo termostato
da caldeira.
Se assim não for, deverá colocar em série com
o interruptor IN, um interruptor horário que pare
o queimador pelo menos uma vez cada 24
horas.
ATENÇÃO: Não inverter Neutro com Fase
na línha da corrente eléctrica.
(A)
(B)
(D)
LIGAÇÃO ELÉCTRICA
RL 38 - RL 50 trifásico
REGULAÇÃO DO RELÉ TÉRMICO
RL 28 - RL 38 monofásico
(C)
LIGAÇÃO ELÉCTRICA
RL 38 trifásico - RL 50
D3277
D3232
D3228
D867
LIGAÇÃO ELÉCTRICA

Table of Contents

Related product manuals