EasyManua.ls Logo

Riello RLS 300/E - Gas Supply; Gas Train; Gas Feeding Line

Riello RLS 300/E
60 pages
Print Icon
To Next Page IconTo Next Page
To Next Page IconTo Next Page
To Previous Page IconTo Previous Page
To Previous Page IconTo Previous Page
Loading...
Installation
33
20036644
GB
4.14 Gas supply
4.14.1 Gas train
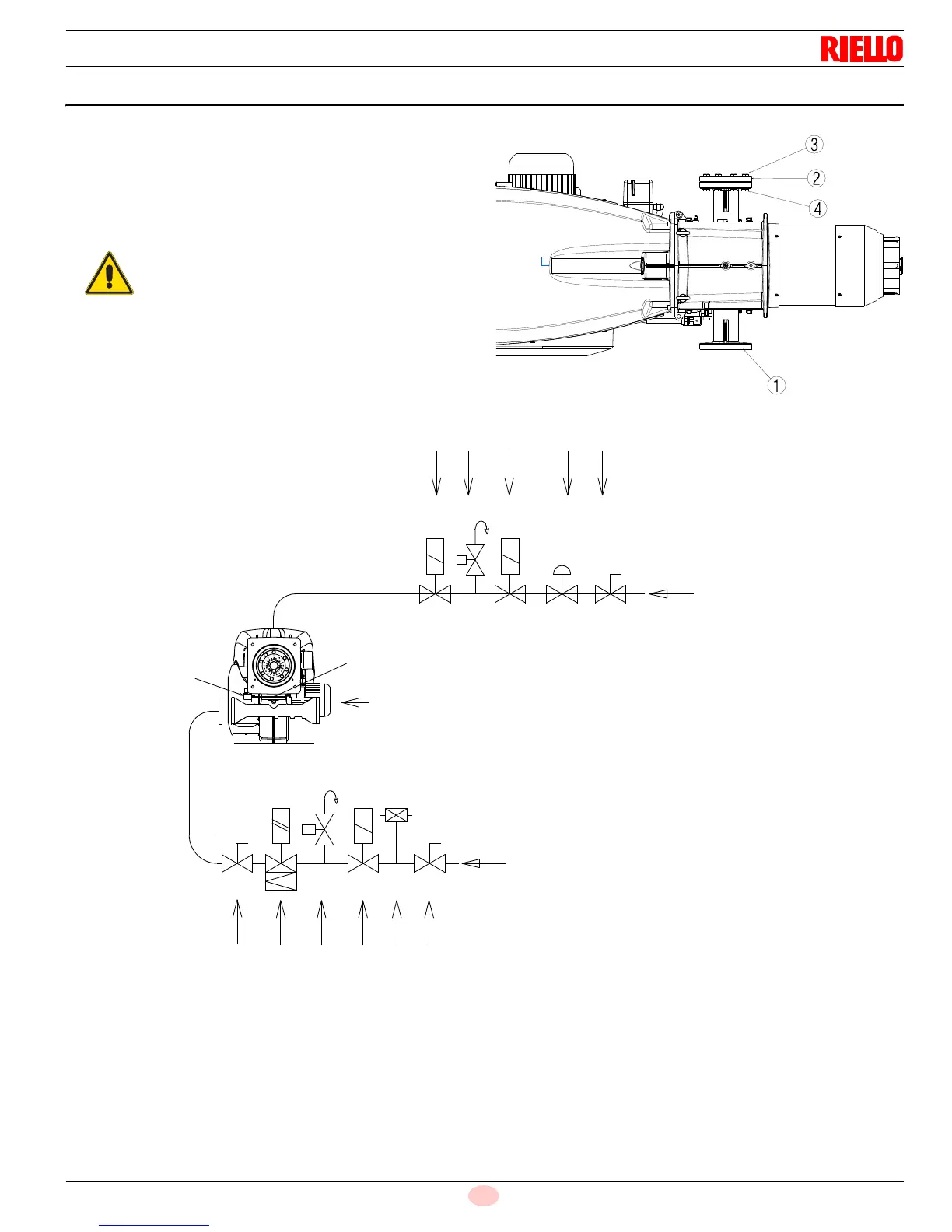
The gas train is to be connected on the right of the burner, by flange
1)(Fig. 27). If necessary connect it on the left, proceed as follows:
loosen nuts and screws 3) and 4);
remove blind flange 2) together with its gasket;
fit them to flange 1) tightening the nuts and screws.
4.14.2 Gas feeding line
It must be type-approved according to required standards and is
supplied separately from the burner (Fig. 28).
Key (Fig. 28)
1 Gas input pipe for main burner
2 Manual valve
3 Min gas pressure switch
4 Safety shut-off valve
5 NO vent valve
6 Regulating shut off valve
7 Gas input pipe for pilot
8 Gas adjustment butterfly valve
9 Burner
10 Max gas pressure switch
11 Manual valve (for seal control)
12 Pilot regulator
WARNING
Once assembled the gas train, check for leaks.
Fig. 27
D3095
Mai n
gas suppl y
10
2
3
4
5
6
11
Vent
Pilot
gas suppl y
212
5
4
7
Vent
9
8
1
4
D3776
Fig. 28

Table of Contents

Related product manuals