EasyManua.ls Logo

RMG EC 24 - Page 43

RMG EC 24
48 pages
Print Icon
To Next Page IconTo Next Page
To Next Page IconTo Next Page
To Previous Page IconTo Previous Page
To Previous Page IconTo Previous Page
Loading...
ANNEXES
...............................................................................................................................................................................................................
...............................................................................................................................................................................................................
Manual EC 24 · EN05 · 2015-02
39
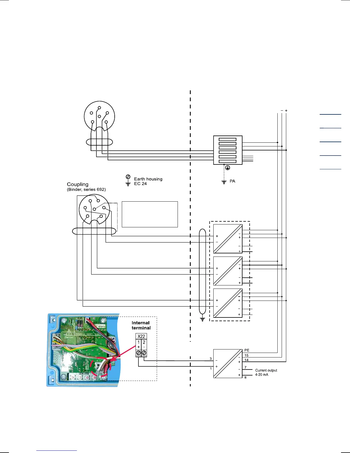
Mains-powered device
(Connection only via a current module with built-in back-up battery)
5
4
6
3
2
1
PC
5
5
5
6
6
6
7
9
7
11
11
11
12
12
12
PE
PE
PE
8
10
8
A
larm
HF
LF
24 V/DC
PE
6
4
3
2
1
5
Pin assignment (692):
1= LF - 4= LF +
2= Alarm - 5= Alarm +
3= HF - 6= HF +
Isolating device
Type: Datcom-K3
Hazardous area Safe area
Connector,
Binder Series 423
Isolating amplifiers
KFD2-SOT-Ex2 (24 V/DC)
Supply unit
e.g. KFD2-STC4-Ex1 (24 V/DC)
RS 485
LIYCY 2x2x0.5 mm blue
2
Pulse outputs
LIYCY 3x2x0.75 mm blue
2
Current output
LIYCY 2x0.75 mm
blue
2
* If 2-channel isolating amplifiers
are used, the two inputs must
be separated!
Connector,
Binder Series 713
(brown)
(white)

Related product manuals