EasyManua.ls Logo

Robin FL-H7500 - Deal Drawing of Equipment

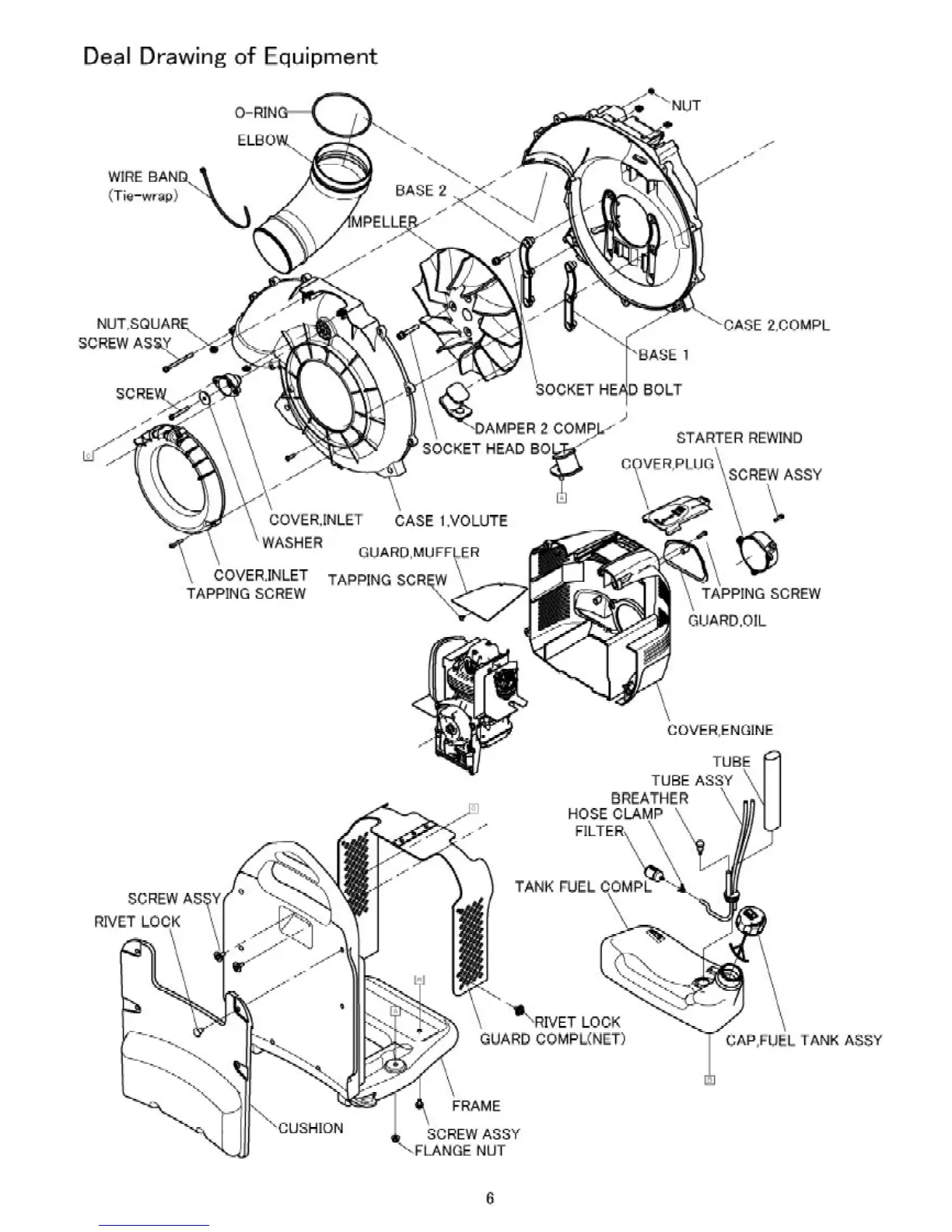
Robin FL-H7500
64 pages
Print Icon
To Next Page IconTo Next Page
To Next Page IconTo Next Page
To Previous Page IconTo Previous Page
To Previous Page IconTo Previous Page
Loading...

Related product manuals